onsemi US2xA Surface Mount Rectifiers

onsemi US2xA Surface Mount Rectifiers feature 50A peak forward surge current and 1.0V to 1.7V maximum forward voltage. US2xA rectifiers offer fast switching with a reverse recovery time of 50ns to 75ns maximum. onsemi US2xA series operates in a -55°C to +150°C temperature range.

Features

  • Glass passivated chip junction
  • High surge capacity
  • Low forward voltage drop
  • 50ns to 75ns maximum fast switching with reverse recovery time
  • UL Flammability 94V-0 classification
  • MSL 1 per J-STD-020
  • RoHS compliant/green molding compound
  • Industrial device qualified per AEC-Q101 standards

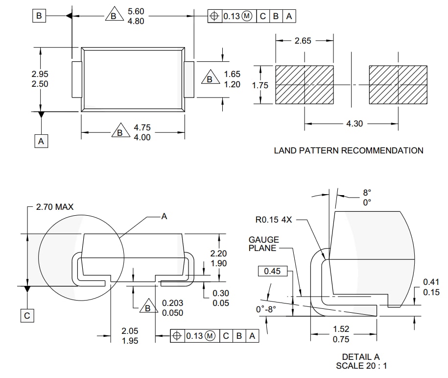
Dimensions

Chart - onsemi US2xA Surface Mount Rectifiers
Publicado: 2016-03-30 | Actualizado: 2022-03-11