Nisshinbo NR1640 Ultra-Low-Noise Voltage Regulator
Nisshinbo NR1640 Ultra-Low-Noise Voltage Regulator provides an output voltage of 2.5V to 4.8V and an output current of 200mA from a 2.7V to 5.5V voltage input voltage. With a 6μVrms output voltage noise rating and ripple rejection of 80dB or more, the NR1640 provides high-quality power, ideal for high-precision sensing systems where noise is an issue. The slope of the output voltage of the NR1640 at start-up can be selected from 4 types. These options meet the demands of suppression of inrush current and start-up slope requirements. In addition, the auto discharge function option contributes to making the output shutdown fast to discharge output capacitance with internal discharge FET. Nisshinbo NR1640 Voltage Regulator is housed in a SOT-23-5-DC package with a -40°C to +125°C operating temperature range. This device is AEC-Q100 Grade 1 qualified for use in automotive applications.Features
- AEC-Q100 Grade 1
- Slope of Output Voltage at Start-up
- Selectable from four options
- 55µs/V, 110µs/V, 220µs/V, and 440µs/V
- 2.7V to 5.5V input voltage range (VIN)
- 2.5V to 4.8V output voltage range (VOUT)
- 200mA output current (IOUT)
- 350µA quiescent current (IQ)
- 6µVrms output noise voltage (IOUT = 100mA)
- 0.1µA standby current
- 80dB ripple rejection
- 15V dropout voltage
- +165°C thermal shutdown
- -40°C to +125°C operating temperature range
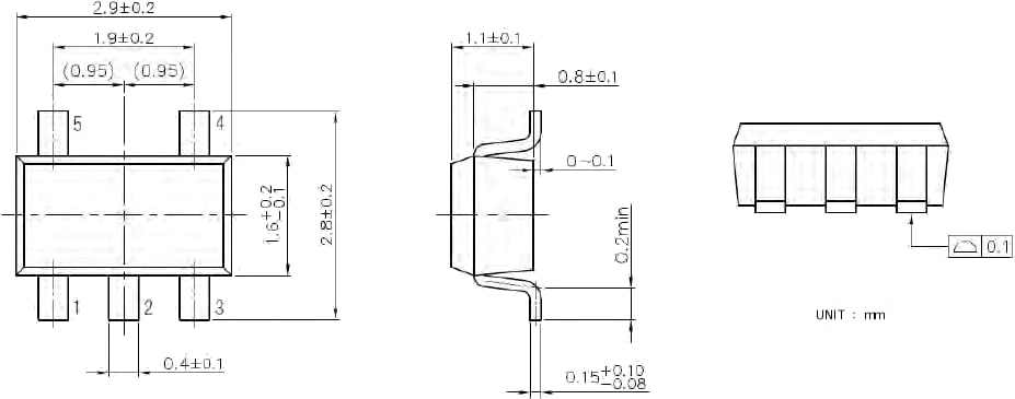
- SOT-23-5-DC package
Applications
- In-vehicle camera systems
- High accuracy sensing systems
Typical Application Circuit
Block Diagram
Package Outline
Publicado: 2022-04-15
| Actualizado: 2023-06-15
