Monolithic Power Systems (MPS) MPQ4253A Step-Down Converters

Monolithic Power Systems (MPS) MPQ4253A Step-Down Converters integrate switch-mode converters with two USB current-limit switches and charging port identification circuitry for each port. These converters buck and the USB2 output is always on if EN is high. The MPQ4253A converters achieve a 6A output current, with excellent load and line regulation over a wide input supply range. These step-down converters' full protection features include hiccup current limiting, output Over-Voltage Protection (OVP), and thermal shutdown. The MPQ4253A converters require a minimal number of readily available standard external components and are available in a QFN-26 (5mm x 5mm) package. These converters are ideal for USB Dedicated Charging Ports (DCPs) and USB Type-C™ + Type-A hybrid charging ports.

Features

  • All-In-One Type-C + Type-A solution
  • Type-C auto-enters 1.5A load capability when the Type-A port detects a device is plugged in
  • Default frequency spread spectrum based on 480kHz (FREQ = Float)
  • Auto-PFM/PWM operation
  • Wide 6V to 36V operating VIN range
  • 5.1V, 5.17V, or 5.3V selectable output voltages
  • 90mV line drop compensation
  • Accurate USB1/USB2 output current limit
  • 18mΩ/15mΩ low internal RDS(ON) buck power MOSFETs
  • 18mΩ/18mΩ low internal RDS(ON) USB1/USB2 power MOSFETs
  • 250kHz to 1MHz adjustable frequency range
  • Hiccup current limit for both buck and USB
  • Supports DCP schemes for BC1.2, Apple divider 3 mode, and 1.2V/1.2V mode
  • Supports USB Type-C 5V @3A DFP mode
  • Available in a QFN-26 (5mm x 5mm) package
  • Available in AEC-Q100 grade 1

Applications

  • USB Dedicated Charging Ports (DCPs)
  • USB Type-C + Type-A Hybrid charging ports

Application Diagram

Application Circuit Diagram - Monolithic Power Systems (MPS) MPQ4253A Step-Down Converters

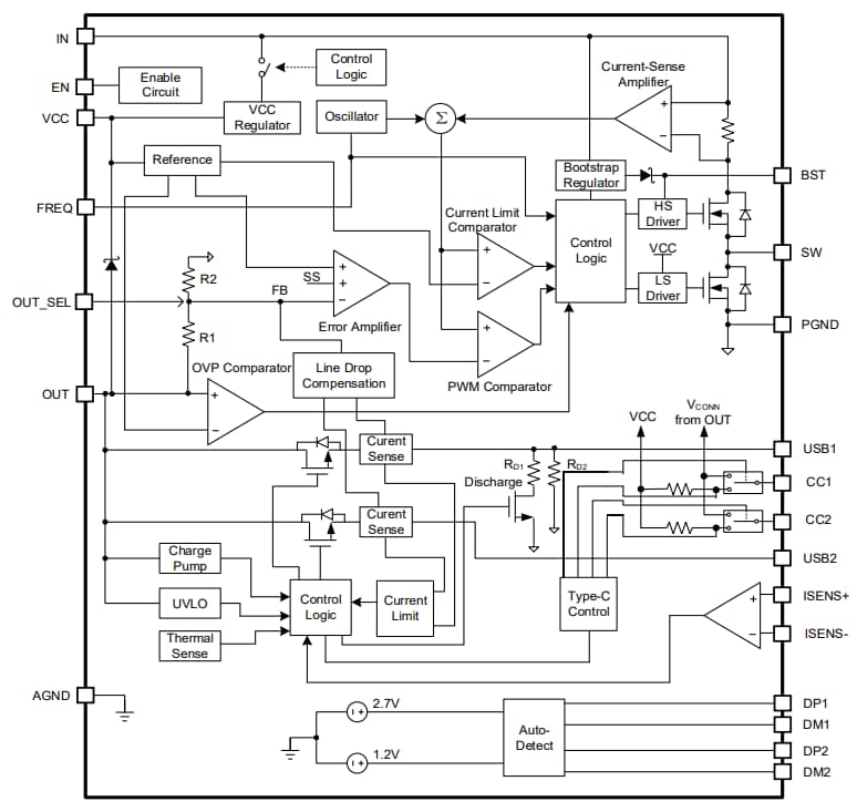
Block Diagram

Block Diagram - Monolithic Power Systems (MPS) MPQ4253A Step-Down Converters

Characteristic Curve

Performance Graph - Monolithic Power Systems (MPS) MPQ4253A Step-Down Converters
Publicado: 2023-10-09 | Actualizado: 2024-03-26