Monolithic Power Systems (MPS) MPM3806 Synchronous Step-Down Power Modules
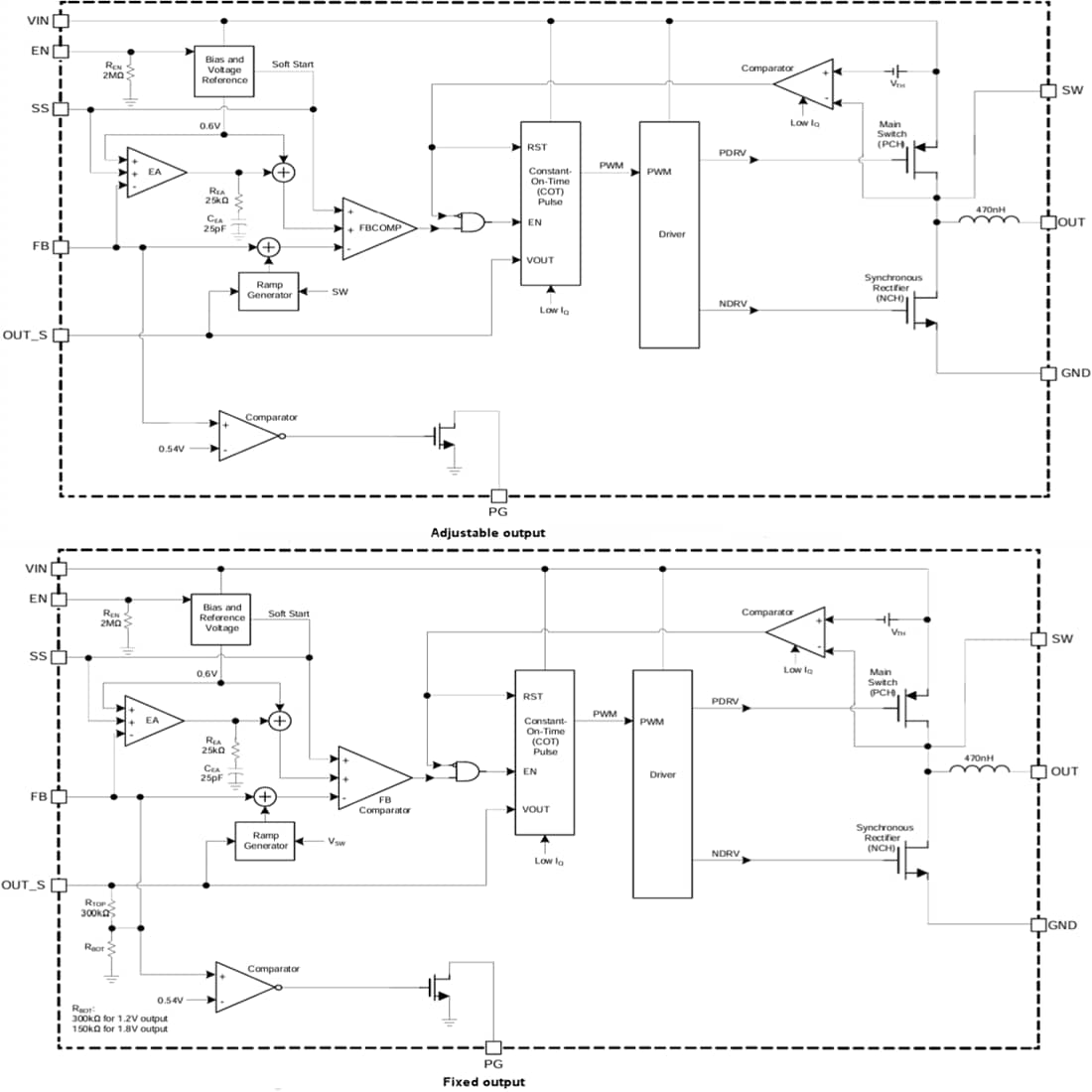
Monolithic Power Systems (MPS) MPM3806 Synchronous Step-Down Power Modules are easy-to-use, fully integrated power modules with built-in inductors and power MOSFETs. These power modules operate at a 2.5V to 5.5V wide input voltage range and achieve up to 1A continuous output current with excellent load and line regulation. The MPM3806 step-down power modules feature Constant-On-Time (COT) control that provides fast transient response and eases loop stabilization. These power modules also feature 21µA sleep mode current IQ (increased battery life), 1% Feedback (FB) accuracy, 2.4MHz switching frequency, and 100% duty cycle.The fault protections in MPM3806 power modules include cycle-by-cycle current limiting, thermal shutdown, Over-Voltage Protection (OVP), Short-Circuit Protection (SCP), power good, and external Soft Start (SS) control. These power modules are AEC-Q100 Grade 1 qualified and available in a small QFN-15 (3mm x 4mm x 1.6mm) package. Typical applications include camera modules, ADAS sensors, automotive infotainment systems, and automotive V2X.
Features
- Designed for automotive applications:
- 2.5V to 5.5V wide operating VIN range
- Up to 1A output current (IOUT)
- 1% Feedback (FB) accuracy
- -40°C to 150°C TJ range
- Available in AEC-Q100 grade 1
- Increased battery life:
- 21μA sleep mode IQ
- Advance Asynchronous Modulation (AAM) mode for increased efficiency under light-load conditions
- Optimized for board size and BOM:
- Integrated internal power MOSFETs
- Integrated compensation network
- Fixed-output options: 0.8V, 1V, 1.1V, 1.2V, 1.25V, 1.5V, 1.8V, 2.5V, 2.8V, and 3.3V
- Available in a QFN-15 (3mm x 4mm x 1.6mm) package
- High-performance 75mΩ and 45mΩ integrated internal power MOSFETs for improved thermals
- Optimized for EMC and EMI reduction:
- 2.4MHz Switching Frequency (fSW)
- MeshConnect™ flip-chip package
- Additional features:
- Enable (EN) for power sequencing
- Power Good (PG)
- 100% duty cycle
- External Soft Start (SS) control
- Output discharge
- Over-Voltage Protection (OVP) and Short-Circuit Protection (SCP) with hiccup mode
- Available in a wettable flank package
Applications
- Camera modules
- ADAS sensors
- Automotive infotainment systems
- Automotive V2X
Typical Application Circuit Diagram
Block Diagrams
Dimension Diagram
Publicado: 2024-02-20
| Actualizado: 2024-03-12
