Monolithic Power Systems (MPS) EVM3683-20-MN-00B Evaluation Board
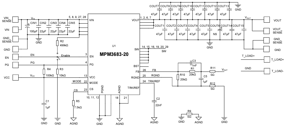
Monolithic Power Systems (MPS) EVM3683-20-MN-00B Evaluation Board evaluates the MPM3683-20 DC/DC step-down power module with a 15A continuous current output. The Monolithic Power Systems (MPS) MPM3683-20 includes a configurable soft-start time (tSS) using a single capacitor. The device provides an open-drain power good (PG) signal to indicate if the output voltage (VOUT) is within the nominal range. It offers full protection features like short-circuit (SCP), over-current (OCP), under-voltage (UVP), and over-temperature (OTP) protection.Features
- Wide input voltage (VIN) range
- 2.7V to 16V with external 3.3V VCC
- 4V to 16V with internal or external VCC
- 0.6V to 5.5V output voltage (VOUT) range
- Up to 15A of continuous output current (IOUT) with a 20A peak
- Differential VOUT remote sense
- Adaptive Constant-On-Time (COT) for ultra-fast transient response
- Selectable Pulse-Skip Mode (PSM) or Forced Continuous Conduction Mode (FCCM)
- VOUT tracking
- PG active-clamped to low level during power failure
- Configurable soft-start time (tSS)
- Pre-biased start-up
- 600kHz, 800kHz, or 1000kHz selectable switching frequency (fSW)
- Non-latch Over-Current Protection (OCP), Under-Voltage Lockout (UVLO), Over-Temperature Protection (OTP), and Over-Voltage Protection (OVP)
- Available in an FCM LGA-29 (7mm x 7mm x 4.4mm) package
Applications
- Telecom and networking systems
- Base stations
- Industrial systems
- Servers and storage
- FPGA and ASIC cards
SCHEMATIC
Publicado: 2024-10-03
| Actualizado: 2024-10-22
