Monolithic Power Systems (MPS) EV6619L-Q-00A Evaluation Board
Monolithic Power Systems (MPS) EV6619L-Q-00A Evaluation Board is designed to demonstrate the capabilities of the MP6619L, an H-bridge motor driver. This board features a 2.5V to 28V input voltage (VIN) range, 5A maximum output current (IOUT_MAX), and a configurable current limit (ILIMIT). The EV6619L-Q-00A evaluation board also features Over-Current Protection (OCP), input Over-Voltage Protection (OVP), Under-Voltage Lockout (UVLO), and thermal shutdown. This board is available in 7.5cm x 7.5cm dimensions and in a QFN-19 (3mm x 3mm) package.Features
- 2.5V to 28V input voltage range
- 5A maximum output current
- Configurable current limit
- Over-Current Protection
- Input Over-Voltage Protection
- Under-Voltage Lockout (UVLO)
- Thermal shutdown
- 7.5cm x 7.5cm dimensions
- QFN-19 (3mm x 3mm) package
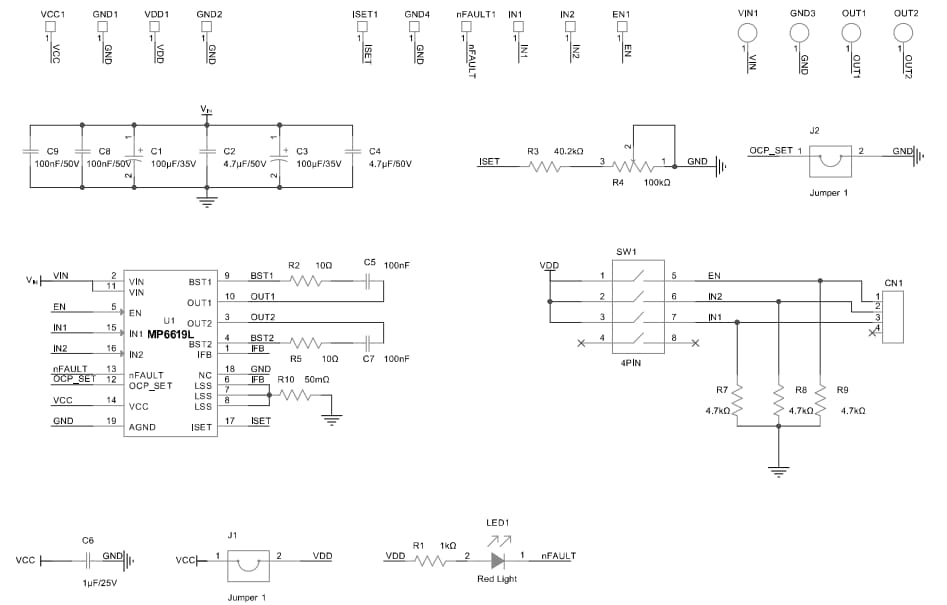
EV6619L-Q-00A Schematic Diagram
Publicado: 2023-03-10
| Actualizado: 2023-03-24
