Monolithic Power Systems (MPS) EV6605C-R-00A Evaluation Board

Monolithic Power Systems (MPS) EV6605C-R-00A Evaluation Board is designed to demonstrate the capabilities of the MP6605C, 4-channel Low-Side (LS) MOSFET driver ICs. This evaluation board drives inductive loads by integrating Low-Side MOSFET (LS-FET) and High-Side (HS) clamp diodes. The EV6605C-R-00A evaluation board operates from a supply voltage of up to 60V (VCLAMP connected to VIN). This evaluation board features a 1.5A maximum LS output current and 1.5A (@duty cycle <20%) maximum HS output current. The EV6605C-R-00A evaluation board is available in 6.35cm x 6.35cm x 2.5cm dimensions and is used in unipolar stepper motors and solenoid drivers.

Features

  • Up to 60V (VCLAMP connected to VIN) supply voltage
  • 4 LS-FETs and clamp diodes
  • Over-Current Protection (OCP)
  • Under-Voltage Lockout (UVLO) protection
  • Over-Temperature Protection (OTP)
  • Fault indication output
  • I2C interface

Specifications

  • 1.5A maximum low-side output current
  • 1.5A (@duty cycle <20%) maximum high-side output current
  • 6.35cm x 6.35cm x 2.5cm dimensions

Applications

  • Unipolar stepper motors
  • Solenoid drivers

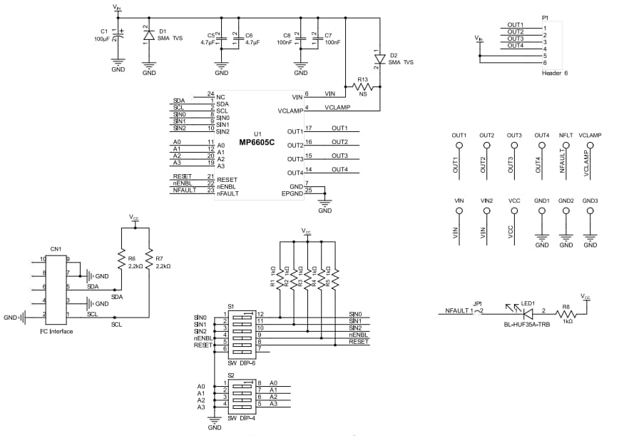
Schematic Diagram

Schematic - Monolithic Power Systems (MPS) EV6605C-R-00A Evaluation Board

Board Overview

Monolithic Power Systems (MPS) EV6605C-R-00A Evaluation Board
Publicado: 2023-06-06 | Actualizado: 2023-06-16