Minebea Standard Round Brush DC Motors

Minebea Standard Round Brush DC Motors are available with outer diameters from 24mm to 38.8mm and are an ideal solution for high-speed, low-life applications. The brush DC motors feature custom add-ons such as gearboxes and encoders in addition to plug-and-play solutions. These Minebea standard round brush DC motors feature industry-standardized frame sizes, gearboxes, and encoders. The round brush DC motors are ideally used in door locks, automotive vending machines, healthcare, and beauty equipment.

Features

  • Available from 24mm OD to 38.8mm OD sizes
  • Offered in metal brush (low current, low noise) or carbon brush (high power, long life) variants
  • Cost-competitive
  • In-house production
  • Plug and play - driver electronics are not necessary
  • Industry standardized frame size
  • Gearboxes
  • Encoders

Specifications

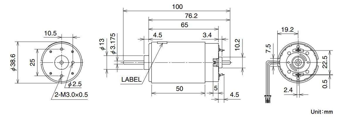
  • M36N-5
    • 24V voltage rating
    • 65mm length
  • M25N-2
    • 31V voltage rating
    • 30.8mm length
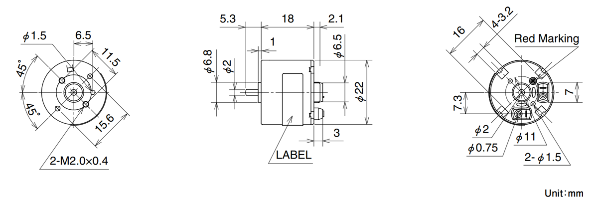
  • M22E-13
    • 3.5V voltage rating
    • 18mm length

Applications

  • Door locks
  • Office automation (printers, scanners, copiers)
  • Healthcare and beauty equipment
  • Automotive
  • Vending machines

Dimension Diagram - M25N-2

Minebea Standard Round Brush DC Motors

Dimension Diagram - M22E-13

Minebea Standard Round Brush DC Motors

Dimension Diagram - M36N-5

Minebea Standard Round Brush DC Motors
View Results ( 4 ) Page
N.º de artículo Descripción Régimen de voltaje Tipo de accionamiento por motor Longitud
M36N-4E Corriente alterna (CA), corriente directa (CD) y servo motores DC Brush Motor, Round 24 V DC Brush Motor 57 mm
M22E-13 Corriente alterna (CA), corriente directa (CD) y servo motores DC Brush Motor, Round 3.5 V DC Brush Motor 18 mm
M25N-1 Corriente alterna (CA), corriente directa (CD) y servo motores DC Brush Motor, Round 28 V DC Mini Motor 30.8 mm
M36N-3E Corriente alterna (CA), corriente directa (CD) y servo motores DC Brush Motor, Round 24 V DC Brush Motor 91 mm
Publicado: 2022-09-02 | Actualizado: 2025-09-15