Mikroe LED Flash 3 Click

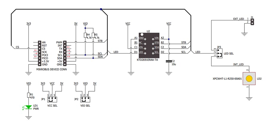
Mikroe LED Flash 3 Click is a compact add-on board designed for flash and torch light development. The board integrates a KTD2691 onboard module, which is an inductor-less, single-flash LED driver. The driver allows users to program the LED current over the software while working in flash mode or using a hardware strobe pin. The Mikroe LED Flash 3 Click is fully compatible with mikroBUS™ sockets, providing evaluation flexibility. The board offers various protection functionalities, including low voltage protection (LVP), under voltage lock-out (UVLO), thermal shutdown, and LED short/open protection. The add-on board uses a standard 2-wire I2C interface to communicate with the host MCU, capable of operating from a 3.3V to 5V input current range. The LED Flash 3 Click is an ideal solution for handheld lighting devices, including small cameras, cell phone flashlights, signals, bicycles, and car taillights.

Features

  • I2C interface programming
  • Hardware strobe control
  • Single-channel programmable current source
  • Compatible with mikroBUS
  • Includes KTD2691 on-board module
  • Flash and torch modes
  • Input LVP
  • Flash time-out protection
  • LED open/short protection
  • External LED connection

Applications

  • Flash/torch light development
  • Handheld devices
  • Small camera lights
  • Cell phone flashlights
  • Signal lights
  • Bicycle lights
  • Car taillights

Specifications

  • 28.6mm x 25.4mm click board dimensions
  • 3.3V to 5V input voltage range
  • 1.5A flash current rating
  • 376mA torch current rating

Board Layout

Chart - Mikroe LED Flash 3 Click

Schematic

Schematic - Mikroe LED Flash 3 Click
Publicado: 2024-02-22 | Actualizado: 2024-05-09