Microchip Technology EV32R56A Reference Design
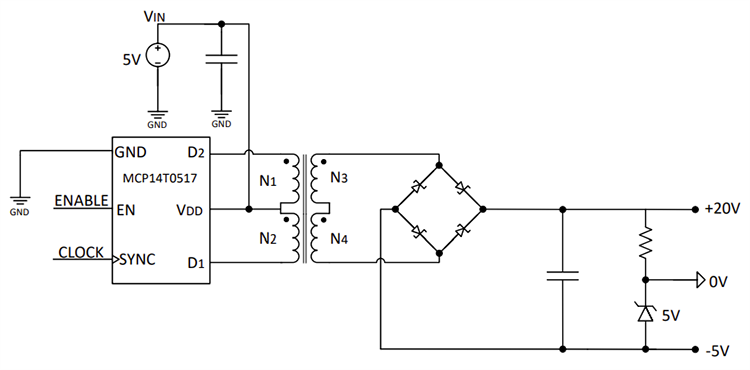
Microchip Technology EV32R56A Reference Design is an isolated bias generator for Silicon-Carbide (SiC) gate drivers based on the MCP14T0517B push-pull transformer driver. The driver operates at 5V input voltage. The board provides a galvanically isolated and regulated bias voltage of +20V with respect to 0V, and -5V with respect to 0V at up to 100mA of current. The Microchip board features a configurable ENABLE pin for external control and synchronization. The MCP14T0517A/B drivers are designed for small form factor isolated power supply applications with a switching frequency of 150kHz for MCP14T0517A and 450kHz for MCP14T0517B. MCP14T0517A/B allows synchronization with multiple devices and operation at higher frequencies by applying an external clock of up to 1000kHz.
Features
- Based on the MCP14T0517B push-pull transformer driver
- 5V input voltage (VIN)
- Output voltages
- +20V with respect to 0V
- -5V with respect to 0V
- Up to 100mA output current (for the output voltage of +25V with respect to -5V)
- 450kHz switching frequency
- Overtemperature and overcurrent protections
- RoHS-compliant
Applications
- Isolated power supplies for SiC/Si MOSFETs and IGBTs
- Bias generators for isolated communication interfaces (CAN, LIN, USB, etc.)
- Bias generators for isolated sensing circuitry
Kit Contents
- Isolated bias generator for SiC gate drivers reference design PCB (EV32R56A)
- Two 3-pin 2.54mm header connectors for input and output signals
- Important information sheet
Block Diagram
Overview
