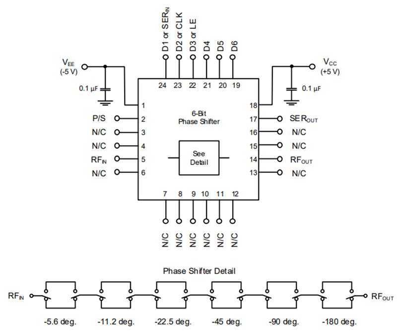
MACOM MAPS-011019 2.4-5.1GHz Digital Phase Shifter

MACOM MAPS-011019 2.4-5.1GHz Digital Phase Shifter is a 6-bit digital phase shifter with an integrated driver. The MACOM MAPS-011019 is designed for high phase accuracy and minimal loss variation across its 0° to 360° range. It comes in a compact 4mm PQFN lead-free surface mount package, making it suitable for applications like 5G and test equipment, where space is a concern.

Features

  • 6-bit digital phase shifter
  • 360° coverage with LSB = 5.625°
  • Integrated driver
  • Serial or parallel control
  • Low DC power consumption
  • Minimal attenuation variation over phase shift range
  • 50Ω impedance
  • EAR99
  • Lead-free 4mm 24-lead PQFN package
  • RoHS compliant

Applications

  • Multi-market

Functional Schematic

Schematic - MACOM MAPS-011019 2.4-5.1GHz Digital Phase Shifter
Publicado: 2023-09-27 | Actualizado: 2023-10-03