MACOM CMPA5259025SAMP1 Evaluation Board

MACOM CMPA5259025SAMP1 Evaluation Board is configured to evaluate the operation of the CMPA5259025S 40W GaN MMIC Power Amplifier. The CMPA5259025S MMIC utilizes a two-stage reactively matched amplifier design approach that enables wide bandwidths to be achieved in a small footprint while maintaining high gain and efficiency.

The MACOM CMPA5259025SAMP1 Evaluation Board comes with the CMPA5259025S Amplifier installed.

Features

  • >53% typical power-added efficiency
  • 29dB small signal gain
  • 40W typical PSAT
  • Operation up to 28V
  • High breakdown voltage
  • High-temperature operation

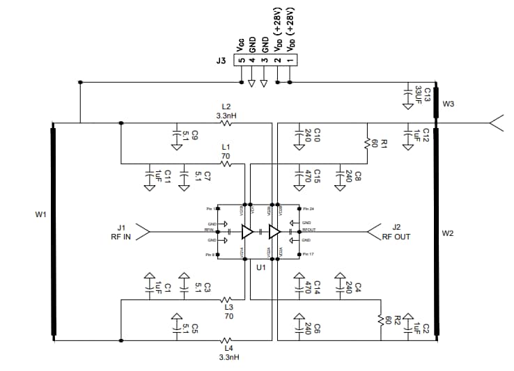
Application Circuit

Application Circuit Diagram - MACOM CMPA5259025SAMP1 Evaluation Board
Publicado: 2021-09-13 | Actualizado: 2024-01-17