Littelfuse LS24062RQ23 Bidirectional eFuse

Littelfuse LS24062RQ23 Bidirectional eFuse offers two input / output ports, VBUS1 and VBUS2, with an absolute maximum rating of 30V. Each port provides external current limit setting, independent enable, and discharge control pins. This advanced 28V 6A-rated bidirectional load switch protects against overload, short circuits, input voltage surges, excessive inrush current, and overtemperature. The integrated 24mΩ ultra-low RDS(ON) power switch helps reduce power loss during normal operation. Littelfuse LS24062RQ23 Bidirectional eFuse comes in a low-profile 2.5mm x 3.2mm 16-lead QFN package. Typical applications include notebooks, desktops, servers, tablets, dongle and docking stations, power accessories, and Thunderbolt / USB Type-C® PD power switches.

Features

  • Wide 3V to 24V supply voltage range
  • 30V tolerance on port VBUS1 and VBUS2
  • Integrates 24mΩ ultra-low RDS(ON) protection switch
  • External adjustable soft-start time
  • External adjustable input overvoltage threshold
  • Short-circuit protection
  • Fault indicator
  • Thermal shutdown protection and auto recovery
  • Each port VBUS1/VBUS2 independent control
  • External adjustable current limit
  • Enable interface pin
  • Port discharge interface pin
  • 2.5mm x 3.2mm 16-lead QFN package
  • Lead free and RoHS compliant
  • UL Recognized to UL 62368-1

Applications

  • Notebooks, desktops, servers, and tablets
  • Dongle and docking stations
  • Power accessories
  • Thunderbolt / USB Type-C PD power switches

Typical Application

Littelfuse LS24062RQ23 Bidirectional eFuse

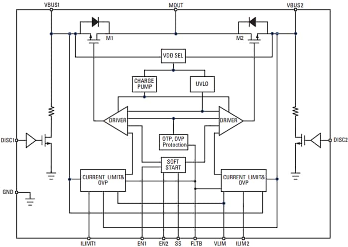
Functional Block Diagram

Littelfuse LS24062RQ23 Bidirectional eFuse
Publicado: 2022-12-21 | Actualizado: 2025-07-23