Littelfuse 482 Series Fuseholders
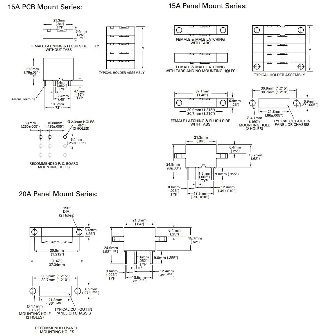
Littelfuse 482 Series Fuseholders are designed for use with 481 Alarm Indicating Fuses. These special application fuseholders are also designed to support other manufacturers' replacement fuses as well. The 482 fuseholders are available in three versions: PCB Mount - 15A, Panel Mount - 20A, and Panel Mount - 15A. These fuseholders are ideal for use in telecommunications and control panel circuits.PCB Mount - 15A: The 15A fuseholders can be soldered directly to a printed circuit board and are rated up to 15A. Available in single pole or gangable up to 20 poles. Fuseholders are keyed to prevent the insertion of 20A fuses.
Panel Mount - 20A: The 20A fuseholders are available in a single-pole version rated up to 20A. Large leads for wire attachment.
Panel Mount - 15A: The 15A gangable versions of fuseholders are keyed to prevent the insertion of 20A fuses.
Specifications
- 15A PCB mount and panel mount:
- Rated at 15A up to 125 VAC/VDC
- Thermoplastic (UL 94V-0) body material
- Tin-plated Beryllium Copper fuse terminal material
- Tin-plated Brass alarm terminal material
- –55°C to 125°C operating temperature range
- Withstands 5 cycles of –55°C to 125°C thermal shock
- Per MIL-STD-202 vibration
- Greater than 10,000Ω insulation resistance (after opening)
- 20A panel mount:
- Rated at 20A up to 125 VAC/VDC
- Thermoplastic (UL 94V-0) body material
- Tin-plated Beryllium Copper fuse terminal material
- Tin-plated Brass alarm terminal material
- –40°C to 85°C operating temperature range
- Withstands 5 cycles of –55°C to 125°C thermal shock
- Per MIL-STD-202 vibration
- Greater than 10,000Ω insulation resistance (after opening)
Applications
- 481 Alarm indicating fuses
- Telecommunications
- Control panel circuits
Dimensions (mm)
View Results ( 67 ) Page
| N.º de artículo | Hoja de datos | Descripción | Estilo de montaje | Régimen de voltaje | Estilo de terminación |
|---|---|---|---|---|---|
| 04820010ZXBF | ![]() |
Portafusibles 10 Pole PCB Mount | PCB Mount | 125 VAC/DC | PC Pin |
| 04820004ZXB | ![]() |
Portafusibles 4 Pole PCB Mount | PCB Mount | 125 VAC/DC | PC Pin |
| 04820010ZXBFH | ![]() |
Portafusibles ACS ALARM HLDR PCB MT L/T 10 POLE | PCB Mount | 125 VAC/DC | PC Pin |
| 04820002ZXB | ![]() |
Portafusibles 2 Pole PCB Mount | PCB Mount | 125 V | Through Hole, Vertical |
| 04822001ZXPF | ![]() |
Portafusibles 1 Pole Panel Mount | Panel Mount | 125 VAC/DC | Wire Leads |
| 04820001ZXB | ![]() |
Portafusibles 1 Pole PCB Mount | PCB Mount | 125 VAC/DC | PC Pin |
| 04820001ZXPF | ![]() |
Portafusibles 1 Pole Panel Mount | Panel Mount | 125 V | |
| 04820004ZXBF | ![]() |
Portafusibles 4 Pole Flush PCB Mount | PCB Mount | 125 V | Through Hole, Vertical |
| 04822001ZXPFSH | ![]() |
Portafusibles 1 Pole Panel Mount | Panel Mount | 125 V | Screw |
| 04820002ZXBF | ![]() |
Portafusibles 2 Pole Flush PCB Mount | PCB Mount | 125 V | Through Hole |
Publicado: 2022-06-14
| Actualizado: 2022-06-30

