Infineon Technologies TDB6HK124N16RR eupec™ EconoBRIDGE™ Modules
Infineon Technologies TDB6HK124N16RR eupec™ EconoBRIDGE™ Modules feature a brake chopper and NTC for a compact converter design. The modules have 2.5kV AC 1min insulation, Al(2)O(3) substrate with low thermal resistance and a high power density. The devices also have high mechanical robustness, an isolated copper base plate, and solder contact technology.Features
- 2.5kVAC 1min insulation
- Al(2)O(3) substrate with low thermal resistance
- High power density
- High mechanical robustness
- Isolated copper base plate
- Solder contact technology
- RoHS compliant
Applications
- Motor control and drives
- Industrial heating and welding
- Power converter and inverter for wind turbines
- Residential aircon, motor, system control and monitoring
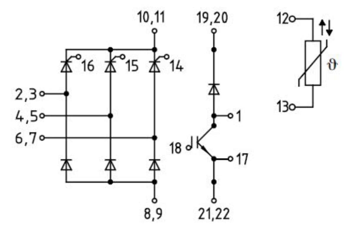
Block Diagram
Publicado: 2022-09-22
| Actualizado: 2022-10-17
