Infineon Technologies OptiMOS™ Dual-Channel Super Cool Power MOSFETs
Infineon Technologies OptiMOS™ Dual-Channel Super Cool Power MOSFETs are N-channel power transistors in a SuperSO8 package with dual-cool capability for enhanced thermal performance. The Infineon OptiMOS Power MOSFETs are developed to increase efficiency, power density, and cost-effectiveness. These devices feature low on-state resistance (RDS(on)) and low reverse recovery charge (Qrr), increasing power density while improving robustness and system reliability. The +175°C rating facilitates designs with either more power at a higher operating junction temperature or a longer lifetime at the same operating junction temperature.Features
- Double-side cooled package with lowest Junction-top thermal resistance
- Fast switching MOSFETs for SMPS
- Optimized technology for synchronous rectification
- Low on-state resistance RDS(on)
- Low reverse recovery charge
- 100% avalanche tested
- -55.0°C to +175.0°C operating temperature range
- Fits the standard SuperSO8 footprint
- OptiMOS 5 technology
- Pb-free lead plating and RoHS-compliant
- Halogen-free according to IEC61249-2-21
- Higher solder joint reliability due to enlarged source interconnection
Applications
- Switched-mode power supplies
- Inductive wireless charging
- Load switches
- Server supply rectification
- Battery management systems
- LV drives
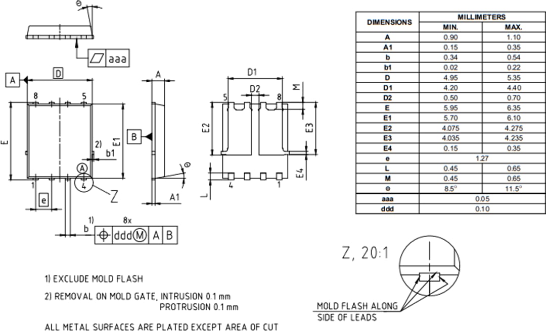
Package Outline
View Results ( 4 ) Page
| N.º de artículo | Hoja de datos | Vds - Tensión disruptiva entre drenaje y fuente | Rds On - Resistencia entre drenaje y fuente | Qg - Carga de puerta | Dp - Disipación de potencia | Tiempo de subida | Tiempo de caída |
|---|---|---|---|---|---|---|---|
| BSC155N06NDATMA1 | ![]() |
60 V | 15.5 mOhms | 29 nC | 50 W | 2 ns | 9 ns |
| BSC072N04LDATMA1 | ![]() |
40 V | 7.2 mOhms | 52 nC | 65 W | 4 ns | 25 ns |
| BSC076N04NDATMA1 | ![]() |
40 V | 7.6 mOhms | 38 nC | 65 W | 4 ns | 7 ns |
| BSC112N06LDATMA1 | ![]() |
60 V | 11.2 mOhms | 55 nC | 65 W | 3 ns | 7 ns |
Publicado: 2020-04-14
| Actualizado: 2024-10-15

