Infineon Technologies 2000V CoolSiC™ MOSFETs

Infineon Technologies 2000V CoolSiC™ MOSFETs are trench MOSFETs in a TO-247PLUS-4-HCC package. These MOSFETs are designed to deliver increased power density without sacrificing the system's reliability, even under demanding high-voltage and switching frequency conditions. The low power losses of CoolSiC™ technology provide increased reliability using the .XT interconnection technology and enable top efficiencies in various applications. The 2000V MOSFETs feature a benchmark gate threshold voltage of 4.5V and offer very-low switching losses. Typical applications include energy storage systems, EV charging, string inverter, and solar power optimizer.

Features

  • High power density
  • Very low switching losses
  • .XT interconnection technology for best-in-class thermal performance
  • Excellent reliability
  • High efficiency
  • Improved humidity robustness 
  • Robust body diode for hard commutation
  • Ease of design

Specifications

  • THT mounting
  • 4 pins
  • 2000V VDSS for high DC-link systems up to 1500VDC
  • 4.5V benchmark gate threshold voltage
  • Innovative HCC package with 14mm creepage and 5.5mm clearance distances
  • -55°C  to 175°C operating temperature range
  • 175°C operating junction temperature

Applications

  • Energy storage systems
  • EV charging
  • String inverter
  • Solar power optimizer

Videos

Pin Diagram

Infineon Technologies 2000V CoolSiC™ MOSFETs

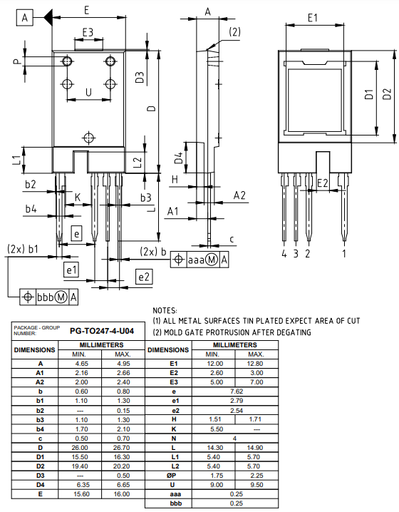
Package Outlines

Mechanical Drawing - Infineon Technologies 2000V CoolSiC™ MOSFETs
View Results ( 5 ) Page
N.º de artículo Hoja de datos Dp - Disipación de potencia Qg - Carga de puerta Rds On - Resistencia entre drenaje y fuente Id - Corriente de drenaje continua Tiempo típico de demora de encendido Tiempo de retardo de apagado típico Tiempo de subida Tiempo de caída Transconductancia hacia delante - Mín.
IMYH200R012M1HXKSA1 IMYH200R012M1HXKSA1 Hoja de datos 552 W 246 nC 16.5 mOhms 123 A 16 ns 50 ns 13 ns 24 ns 30 S
IMYH200R024M1HXKSA1 IMYH200R024M1HXKSA1 Hoja de datos 576 W 137 nC 33 mOhms 89 A 19 ns 40 ns 11 ns 16 ns 20 S
IMYH200R050M1HXKSA1 IMYH200R050M1HXKSA1 Hoja de datos 348 W 82 nC 64 mOhms 48 A 17 ns 36 ns 9 ns 12 ns 10 S
IMYH200R075M1HXKSA1 IMYH200R075M1HXKSA1 Hoja de datos 267 W 64 nC 98 mOhms 34 A 7 ns 26 ns 5 ns 7 ns 6.5 S
IMYH200R100M1HXKSA1 IMYH200R100M1HXKSA1 Hoja de datos 217 W 55 nC 131 mOhms 26 A 2 ns 21 ns 3 ns 5 ns 5 S
Publicado: 2023-08-02 | Actualizado: 2023-08-29