iC-Haus iC-DL EVAL DL2D Evaluation Board

ZZZ-iC-Haus iC-DL EVAL DL2D Evaluation Board is designed for test purposes of a 3-channel differential line driver. This line driver is integrated with impedance adaptation for 30Ω to 140Ω lines. The 3-channel differential line driver comes in a QFN28 package.

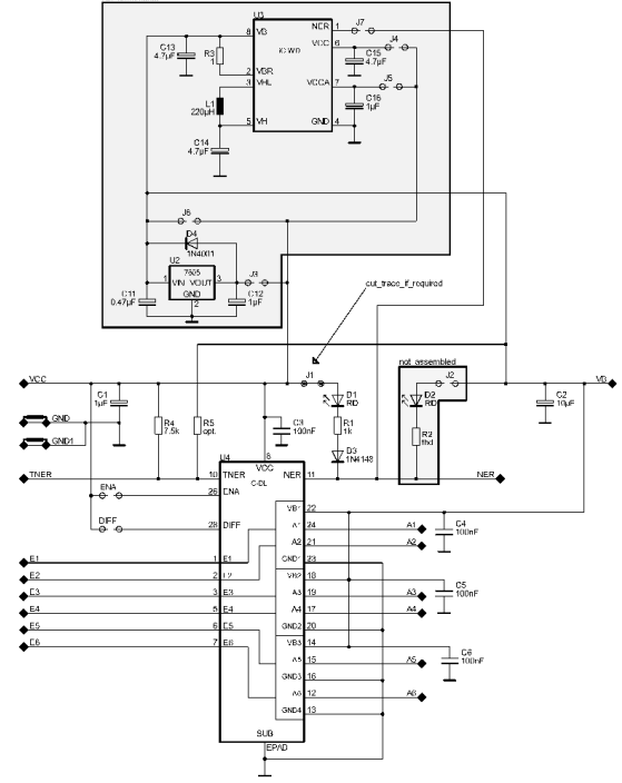
Circuit Diagram

Application Circuit Diagram - iC-Haus iC-DL EVAL DL2D Evaluation Board
Publicado: 2025-11-20 | Actualizado: 2026-01-13