ROHM Semiconductor RB-D62Q2502TB32 Reference Board
ROHM Semiconductor RB-D62Q2502TB32 Reference Board is a development platform built around the LAPIS ML62Q2502 CMOS 16-bit RISC microcontroller, designed for a wide range of embedded applications. The ML62Q2502 MCU is based on the nX-U16/100 core, offering efficient processing, low power consumption, and versatile peripheral integration, making it ideal for the Internet of Things (IoT), consumer electronics, and industrial systems. The board provides convenient access to the MCUs, GPIOs, and peripherals, facilitating rapid prototyping and testing.With support for ROHMs LEXIDE-U16 development environment, developers can easily write, debug, and optimize applications. The RB-D62Q2502TB32 is an ideal tool for engineers aiming to design innovative solutions in smart appliances, automotive systems, healthcare devices, and more.
Features
- Provided with the LAPIS ML62Q2502 CMOS 16-bit RISC MCU, 32-pin TQFP
- Mounted with the linked connector to EASE1000 V2
- Through-holes for connecting the pins of LSI to external peripheral boards
- Selectable power supply, supplied from the on-chip emulator EASE1000 V2 or CN1_3pin
- Mounted 32.768KHz crystal
- Mounted LEDs (P20, P21, P22)
- Foot pattern with components for Successive Approximation Type A/D Converter is available (P30, P31, P32, P33)
- Low power consumption
- Internal flash memory and RAM
- Flexible I/O and communication interfaces
- Real-time processing
- 1.8V to 5.5V operating supply range
- Compact form factor, 56mm x 94mm x 15mm (WxDxH) size
Applications
- Home appliances
- Industrial equipment
- Automotive systems
- Healthcare devices
- Consumer electronics
- Internet of Things (IoT) and smart systems
Overview
Power Circuit
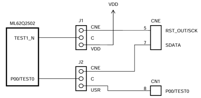
EASE1000 V2 Interface
PCB Layout
Publicado: 2024-12-30
| Actualizado: 2025-01-07
