Diodes Incorporated PI6CB332202/PI6CB332204 2-Input Clock Mux

Diodes Inc. PI6CB332202/PI6CB332204 2-Input Clock Mux is a low-power device for PCIe 5.0/6.0 applications. It requires two reference inputs to fanout two/four low-power differential HCSL outputs up to 400MHz, with on-chip terminations for 85Ω or 100Ω output impedance. An individual OE pin is provided for each output, facilitating easier power management. The Diodes Inc. PI6CB332202/PI6CB332204 also supports Power Down Tolerant (PDT), automatic output clock locking upon loss of input clock, and flexible startup sequencing features.

Features

  • 2-input mux with 2x/4x low-power HCSL outputs supporting on-chip termination
  • 85Ω or 100Ω pin selectable output impedance
  • Spread-spectrum tolerant
  • Individual output enable
  • Power down tolerant inputs
  • Flexible power supply startup sequencing
  • Automatic output clock locking upon loss of input clock
  • Additive phase jitter
    • PCIe 5.0 - 6fs RMS typical
    • PCIe 6.0 -4fs RMS typical
    • DB2000QL -10fs RMS typical
  • 3.3V supply voltage
  • Packages
    • 28-pin, 4mm x 4mm, VQFN (ZLF) (4x outputs) (PI6CB332204)
    • 20-pin, 3mm x 3mm, WQFN (ZNA) (2x outputs) (PI6CB332202)
  • Lead-free and RoHS-compliant
  • Halogen and antimony-free Green device
  • For automotive applications requiring specific change control (i.e., parts qualified to AEC-Q100/101/104/200, PPAP capable, and manufactured in IATF 16949 certified facilities)

Applications

  • Data centers and servers
  • Storage systems
  • Networking equipment
  • Automotive electronics

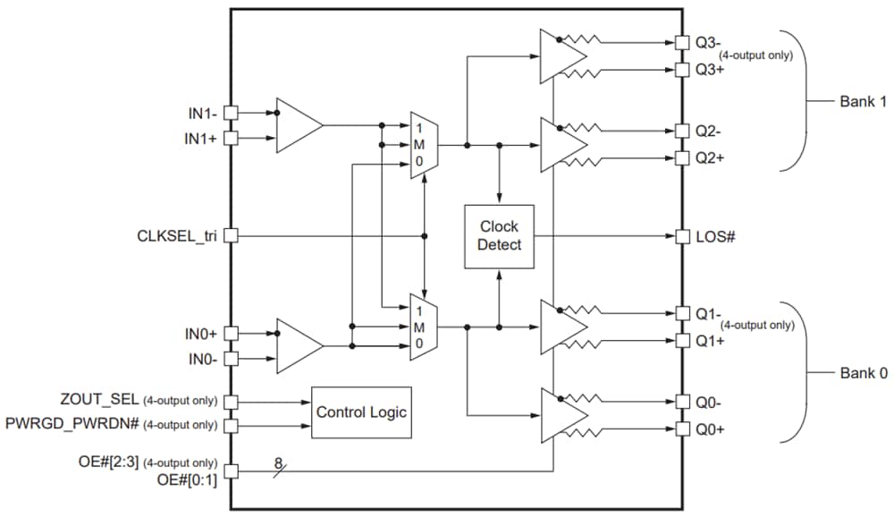
Block Diagram

Block Diagram - Diodes Incorporated PI6CB332202/PI6CB332204 2-Input Clock Mux
Publicado: 2025-10-07 | Actualizado: 2025-11-13