Coilcraft PL160/PL300 SMT Planar Transformers

Coilcraft PL160/PL300 SMT Planar Transformers are 160W or 300W rated and are designed to operate between 200kHz and 700kHz with a nominal 48V input. The PL160 and PL300 transformers feature excellent DC resistance for increased efficiency, low leakage inductance, 1500Vrms, and one-minute primary to secondary isolation. These transformers are AEC-Q200 Grade 1 (-40°C to +125°C) qualified and provide 0.009" (0.229mm) clearance above the seating plane.

Features

  • Rated for 160W or 300W
  • Designed to operate between 200kHz and 700kHz with nominal 48V input
  • High efficiency
  • Excellent DC resistance
  • Very low leakage inductance
  • Ferrite core
  • Matte tin over nickel over brass terminations
  • Moisture Sensitivity Level (MSL) 1

Specifications

  • 1500Vrms, one minute primary to secondary isolation
  • 160W or 300W rating options
  • 200kHz and 700kHz frequency range
  • 48V nominal input voltage
  • 0.009″ (0.229mm) clearance above the seating plane
  • 0.35µH to 0.55µH maximum leakage inductance
  • 12g to 12.8g available range of weight
  • -40°C to +125°C operating temperature range
  • Maximum of three 40-second reflows at +260°C with parts cooled to room temperature between cycles

Schematic Diagram

Schematic - Coilcraft PL160/PL300 SMT Planar Transformers

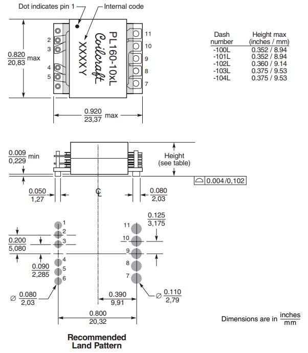
Mechanical Drawing

Mechanical Drawing - Coilcraft PL160/PL300 SMT Planar Transformers
Publicado: 2015-12-08 | Actualizado: 2022-03-11