Cincon LFM200M 200W AC/DC Power Supplies with PFC

Cincon LFM200M 200W AC/DC Power Supplies with Power Factor Correction (PFC) feature single output AC/DC modules with high power density, ideal for medical applications. The power supplies offer an active PFC function and various protections, including continuous short circuit (SCP), overvoltage (OVP), and overtemperature (OTP). The LFM200M series operates with a universal 85VAC to 264VAC input voltage range, a high 28.35W/in3 power density, and <0.3W no-load input power consumption. The Cincon LFM200M 200W AC/DC Power Supplies have a low-profile 25.4mm package and meet various approvals, including IEC/EN/UL 60601-1 2 MOPP, IEC/EN/UL 62368-1, and IEC/EN 60335-1.

Features

  • Universal input range
  • High efficiency
  • Class I and II
  • Low profile 25.4mm package
  • Low no-load input power consumption
  • High power density
  • Active PFC function
  • Protections
    • Continuous SCP
    • OVP
    • OTP
  • IEC/EN/UL 60601-1 2 MOPP approval
  • IEC/EN/UL 62368-1 approval
  • IEC/EN 60335-1 standard met

Specifications

  • 12V to 54V output voltage range
  • 85VAC to 264VAC input voltage range
  • 100VAC to 240VAC operating voltage range
  • 3.7A to 16.67A output current range with fan
  • 2.04A to 9.17A output current range without conduction cooling
  • 3.15A to 14.17A output current range with conduction cooling
  • 47Hz to 63Hz input frequency range
  • 3.15A max input current rating
  • 100μA max contact leakage current rating
  • 150mV to 200mV ripple and noise range
  • 94% max efficiency
  • -40°C to +80°C operating temperature range
  • -40°C to +85°C storage temperature range

Electrical Block Diagram

Block Diagram - Cincon LFM200M 200W AC/DC Power Supplies with PFC

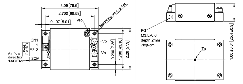
Dimensions [mm]

Cincon LFM200M 200W AC/DC Power Supplies with PFC
Publicado: 2024-07-19 | Actualizado: 2024-08-22