Bourns SM91604L LAN Gigabit Ethernet Transformer

Bourns SM91604L LAN Gigabit Ethernet Transformer is a single-port transformer designed to meet Gigabit Ethernet communication requirements with reinforced insulation. This transformer features a 0.35μH maximum leakage inductance (100kHz/0.1V) 4680VDC isolation voltage, 800V working voltage, and 8mm minimum creepage distance. The SM91604L transformer operates from -40°C to 105°C temperature range and is RoHS compliant. This transformer includes common mode chokes for noise rejection for Ethernet applications. The SM91604L transformer is used in white goods and industrial 4.0 applications.

Features

  • Designed to meet Gigabit Ethernet requirements
  • 800V working voltage
  • 8mm minimum creepage and clearance distance
  • 0.35μH maximum leakage inductance (100kHz/0.1V)
  • Hi-Pot: 4680VDC
  • -40°C to 105°C operating temperature range
  • Moisture Sensitivity Level (MSL 1)
  • Reinforced insulation per IEC 60664-1 and IEC 62368-1 standards
  • RoHS compliant

Applications

  • White goods
  • Industrial 4.0

Mechanical Diagram

Mechanical Drawing - Bourns SM91604L LAN Gigabit Ethernet Transformer

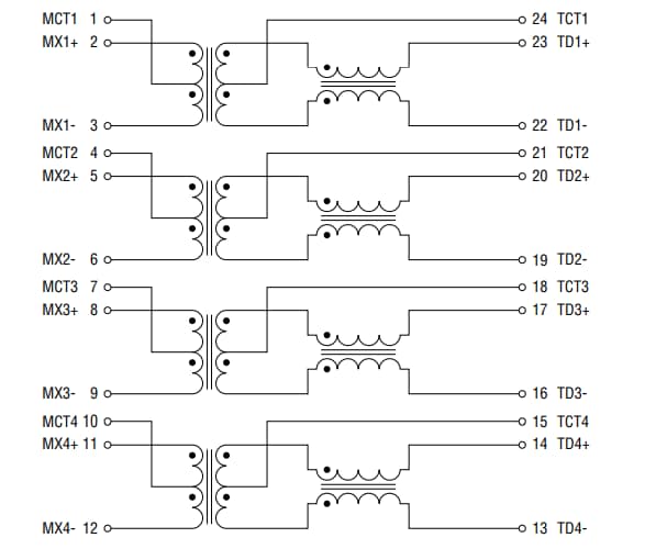
Electrical Schematic Diagram

Schematic - Bourns SM91604L LAN Gigabit Ethernet Transformer
Publicado: 2023-10-19 | Actualizado: 2023-11-02