Bourns PER28 Long Life Incremental Ring Encoder

Bourns PER28 Long Life Incremental Ring Encoder provides a 28mm package diameter with 10mA at 5VDC circuit compatibility and 2-bit quadrature code output. This low-profile incremental encoder offers haptic detent feedback, sealing to IP40, and a through-hole mounting style. The ring interface allows illumination or the installation of other components in the center. Other features are a 50,000 rotational cycle rating, 15PPR resolution range, 60RPM maximum rotational speed, and -30°C to +80°C operating temperature range. Bourns PER28 Long Life Incremental Ring Encoder is ideally suited for use in low / medium risk medical and laboratory equipment, professional audio and lighting applications as well as in industrial automation controls and other applications where a menu select encoder is required.

Features

  • Low-profile incremental encoder with 28mm package diameter
  • THT mounting style
  • Haptic detent feedback
  • Sealable to IP40 rating
  • RoHS compliant

Applications

  • Professional lighting consoles
  • Consumer white goods
  • Low/medium risk medical and diagnostic equipment
  • Test and measurement equipment
  • Communications equipment
  • Laboratory equipment
  • Industrial automation controls

Specifications

  • 50,000 rotational cycle rating
  • 15PPR resolution range
  • 60RPM maximum rotational speed
  • 10mA at 5VDC circuit compatibility
  • 2-bit quadrature code output
  • -30°C to +80°C operating temperature range

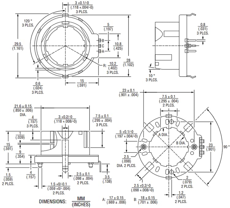
Dimensions

Bourns PER28 Long Life Incremental Ring Encoder
Publicado: 2021-04-28 | Actualizado: 2022-03-11