Bourns HCT AEC-Q200 Compliant Power Transformers
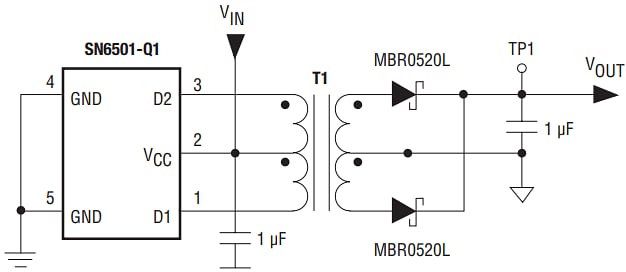
Bourns HCT AEC-Q200 Compliant Power Transformers are high clearance and creepage distance transformers built with a ferrite toroid core for high coupling factor and efficiency. The transformers feature reinforced isolation, 8mm minimum clearance/creepage distance, and 5kV withstanding voltage to provide an elevated degree of isolation from high-voltage hazards. Bourns HCT AEC-Q200 Compliant Power Transformers are designed for isolation power supplies using Texas Instruments SN6501 and SN6505B transformer drivers. The series complies with IEC 60950-1, IEC 62368-1, IEC 60664-1, and automotive AEC-Q200 standards.
Features
- AEC-Q200 compliant
- Toroid core for high coupling and low radiation
- Reinforced insulation for working voltage of 800V
- Complies with IEC 60950-1, IEC 62368-1, and IEC 60664-1
- Designed for isolation power supplies using TI SN6501 and SN6505B
- Available in tape and reel (-E)
- RoHS compliant
Applications
- Automotive battery management systems (BMS)
- Automotive gate drivers
- RS485
- CAN interfaces
- Digital input modules
- RS323 isolation
Specifications
- 3.3V to 5V input voltage
- 3.3V to 15V rated voltage
- 350mA AC rated current
- 250µH to 350µH minimum primary inductance at 100kHz
- 0.6µH to 1.8µH leakage inductance at 100kHz
- -40°C to +125°C operating temperature range
Application Circuit
Block Diagram
Publicado: 2020-01-21
| Actualizado: 2026-02-23
