Asahi Kasei Microdevices AK460xVQ Audio HUB CODECs
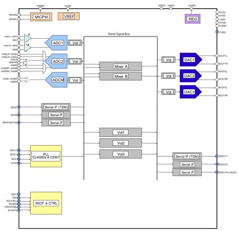
Asahi Kasei Microdevices AK460xVQ Audio HUB CODECs include 5-channel ADCs, a 6-channel DAC, and digital mixers. The analog input block consists of a 24-bit stereo ADC, a 24-bit stereo ADC with input selector, a monaural ADC, and a 32-bit 6-channel DAC. The transfer block for digital signals integrates a serial interface that supports Data BUS and TDM format, realizing an audio HUB function. It gives the device scalability for both analog and digital signals. The Asahi Kasei Microdevices AK4601 is available in a space-saving 48-pin LQFP package.Features
- 8kHz to 192kHz sampling frequency range
- ADC1: 24-bit stereo ADC with MIC gain amplifiers
- Channel-independent analog gain amplifiers
- 0dB to 18dB in 2dB steps
- 18dB to 36dB in 3dB steps
- Differential or single-ended input
- 106dB ADC characteristics at 48kHz, differential input, 0dB MIC gain
- Channel independent digital volume control (+24dB to -103dB, 0.5dB steps, mute)
- Digital HPF for DC offset canceling
- 2-ch low noise MIC power output
- 4x types of digital filters for sound color selection
- Channel-independent analog gain amplifiers
- ADC2: 24-bit stereo ADC with input selector
- 1x Differential input or 2x single-ended and 1x semi-differential input analog input selector options
- 106dB ADC characteristics at 48kHz, differential input
- Channel independent digital volume control (+24dB to -103dB, 0.5dB steps, mute)
- Digital HPF for DC offset canceling
- 4x types of digital filters for sound color selection
- ADCM: 24-bit monaural ADC
- Differential or single-ended input
- 106dB ADC characteristics at 48kHz, differential input
- Channel independent digital volume control (+24dB to -103dB, 0.5dB steps, mute)
- Digital HPF for DC offset canceling
- 4x types of digital filters for sound color selection
- Digital mixer circuit
- Independent digital volume (+12dB to -115dB, 0.5dB steps, mute)
- Advanced 32-bit DAC
- 3x 2-ch
- Single-ended output
- 108dB DAC characteristics at 48kHz
- Channel independent digital volume control (+12dB to -115dB, 0.5dB steps, mute)
- 4x types of digital filters for sound color selection
- Digital interfaces
- 20-ch maximum digital input/output ports (16ch x 1 port, 2ch x 2 ports) in TDM mode
- Independent LRCK/BICK input port with 2x lines
- Data formats
- MSB 32-bit, 24-bit
- LSB 24-bit, 20-bit, 16-bit
- I2S
- PCM short/long frame supported
- TDM format supported
- PLL circuit
- μP interfaces
- 7MHz maximum SPI
- 1MHz maximum I2C-bus, fast mode plus
- Power supply
- 3.0V to 3.6V analog AVDD range, 3.3V typical
- 3.0V to 3.6V digital LVDD range, 3.3V typical (3.3V → 1.2V regulator integrated)
- 1.7V to 3.6V I/F TVDD, 3.3V typical
- -40°C to +85°C operating temperature range
- 48-pin LQFP package, 7mm x 7mm, 0.5mm pitch
Applications
- Portable audio
- Home audio
- Automotive
Block Diagram
Publicado: 2024-04-09
| Actualizado: 2024-04-24
