Analog Devices / Maxim Integrated MAX33076E High-Speed Quad RS-422/RS-485 Receivers

Analog Devices MAX33076E High-Speed Quad RS-422/RS-485 Receivers offer a high CMR (common-mode range), high fault protection, and high ESD for harsh electrical environments. The devices operate from a supply range of +3.3V or +5.0V. The high CMR of ±25V helps in the reception of messages when the ground planes between two nodes have large differences or large external interference from motors or other electrical noise sources. The MAX33076E delivers extended fault protection of ±65V, where the data lines are protected from accidental shorts to local power supplies. Additionally, a high ESD HBM (human body model) of ±25kV protects the data lines from ESD strikes either during production or in the field.

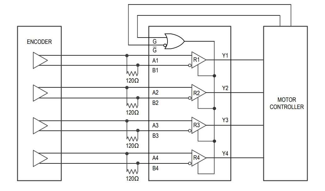
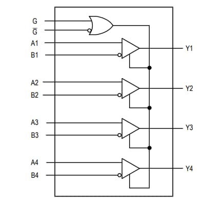
Analog Devices MAX33076E High-Speed Quad RS-422/RS-485 Receivers feature a true fail circuitry where the receiver output is placed in a high state when open, shorted, or connected to a terminated transmission line with all drivers disabled.

The G and Ḡ pins on the MAX33076E configure for active high and active low, respectively, and enable or disable the outputs. The devices are pin-compatible with the MAX3095-96 receivers.

The MAX33076E is housed in a 16-pin SOIC or QSOP package and rated over a -40°C to +125°C temperature range.

Features

  • Integrated protection increases robustness
    • ±65V Fault-tolerant quad receiver lines
    • ±25kV ESD HBM
    • ±25V Common mode range
    • True fail-safe receiver prevents false transition on receiver input short or open events
    • -40°C to +125°C Operating temperature range
  • Industry standard for easy upgrade
    • 16-Pin SOIC and QSOP packages
    • Pinout compatible to industry standard MAX3095-96 receivers
    • Supply voltage of +3.3V or +5.0V
    • Data rate options of 20Mbps or 35Mbps

Applications

  • Motor controllers
  • Telecom equipment
  • Power grid equipment
  • CNC Machines
  • Laser modules

Block Diagram

Block Diagram - Analog Devices / Maxim Integrated MAX33076E High-Speed Quad RS-422/RS-485 Receivers

Typical Application Circuit

Application Circuit Diagram - Analog Devices / Maxim Integrated MAX33076E High-Speed Quad RS-422/RS-485 Receivers
Publicado: 2022-03-29 | Actualizado: 2025-09-18