Analog Devices / Maxim Integrated MAX20327 DPDT Analog Switch

Analog Devices MAX20327 DPDT Analog Switch is an ultra-small, low-on-resistance (RON) double-pole/double-throw (DPDT) analog switch that features Beyond-the-Rails™ capability. Beyond-the-Rails allows signals from -5.5V to +12V to pass without distortion, even when the power supply is below the signal range. The low on-resistance (0.2Ω) also makes the devices ideal for low-distortion switching applications, such as audio or video.

The Analog Devices MAX20327 is fully specified to operate from a single +1.6V to +5.5V power supply. Because of the low supply current requirement, VCC can be provided by a GPIO. When power is not applied, the switches go to a high-impedance mode, and all analog signal ports can withstand signals from -5.5V to +5.5V. The switches are controlled with a single control bit (CB).

Features

  • Distortion-free Beyond-the-Rails Signaling
    • Negative voltage audio and video signal capable
    • -5.5V to +12V analog signal range independent of VCC
    • On-resistance of 0.2Ω (Typ.)
    • +1.6V to +5.5V single-supply range
    • 0.001% (Typ.) total harmonic distortion plus noise 
    • The on-resistance flatness of 0.001Ω (Typ.)
  • Low supply current of 30μA (Typ.) at 1.6V
    • The device can be powered by GPIO
    • High-impedance mode when VCC is not applied
  • ESD protection on COM_
    • ±15kV human body model
    • ±8kV IEC 61000-4-2 air gap
    • ±6kV IEC 61000-4-2 contact
  • Design flexibility
    • Break-Before-Make operation
    • 9-bump WLP (1.6mm x 1.6mm)
    • -40°C to +85°C operating temperature range

Applications

  • Cell phone
  • Tablet
  • Portable audio/video equipment
  • Portable navigation devices

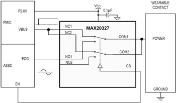
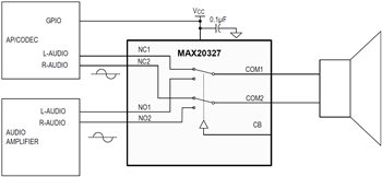
Typical Application Circuits

Publicado: 2018-08-31 | Actualizado: 2023-04-25