Analog Devices / Maxim Integrated MAX20096/MAX20097 High-Brightness LED Controllers

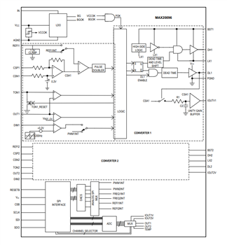
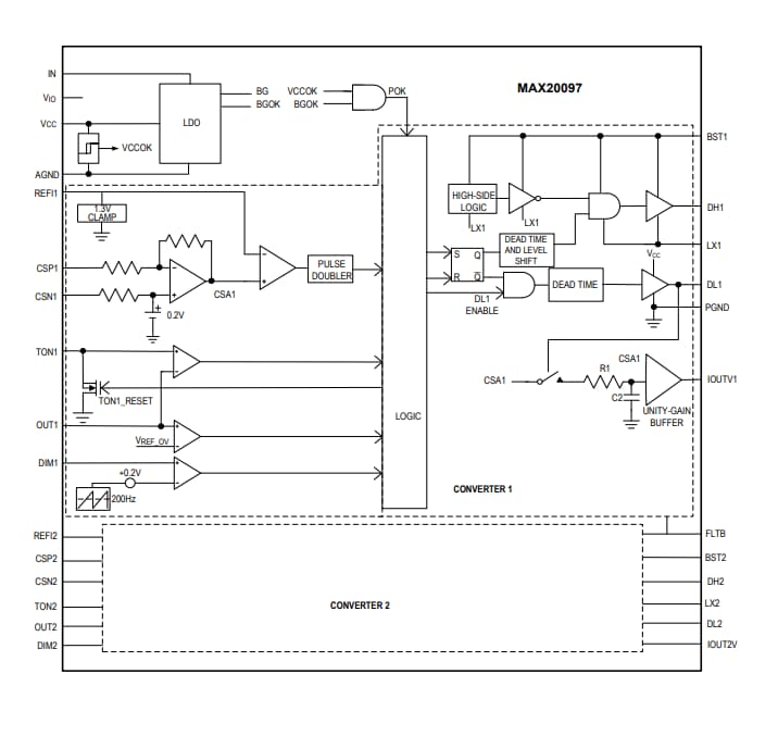
Analog Devices MAX20096/MAX20097 High-Brightness LED Controllers are dual-channel, high-voltage, synchronous N-channel high-current buck LED drivers. The MAX20096/MAX20097 LED Controllers use a proprietary average current-mode-control scheme to regulate the inductor current. Maintaining a nearly constant switching frequency, the control method does not require any control-loop compensation.

Sensing the current in the bottom switching device results in inductor current sense being achieved. The ICs integrate two fully synchronous buck-converter controllers and are designed for high-frequency operation, operating at switching frequencies as high as 1MHz. The SPI interface reads back the output voltages and currents on both channels and the junction temperature. The MAX20096/MAX20097 High-Brightness LED Controllers include many protection features such as inductor current-limit protection, overvoltage protection, and thermal shutdown.

The MAX20096 is available in a space-saving thermally enhanced (5mm x 5mm), 32-pin side-wettable TQFN package and is specified to operate over the -40°C to +125°C automotive temperature range. The MAX20097 is available in a 28-pin thermally enhanced TSSOP package but does not have the SPI interface. The MAX20097 includes an open-drain fault flag (FLTB) that goes low in case of an open string, shorted string, or overvoltage activation in any channel or during a thermal shutdown.

Features

  • Integration minimizes BOM for high-brightness LED driver, saving space and cost
  • Wide 4.5V to 65V input voltage range
  • No compensation components
  • Programmable switching frequency
  • External MOSFETs that are sizable for the appropriate current
  • Wide dimming ratio allows high-contrast ratio
  • Analog dimming
  • PWM dimming
  • Suitable for matrix lighting
  • Short circuit, overvoltage, and thermal protection
  • Maintains current regulation while shorting/opening individual LEDs in the string
  • Ultra-fast response control loop prevents overshoots and undershoots
  • Protection features and wide temperature range increase system reliability
  • -40°C to +125°C operating temperature range
  • Thermal monitor and LED current monitor
  • Fault diagnosis through SPI interface and through FLTB pin for applications without SPI interface

Applications

  • Automotive exterior lighting
  • High-leam/low-beam/signal/position lights
  • Daytime running lights (DRLs)
  • Fog light and adaptive front light assemblies
  • Commercial, industrial, and architectural lighting

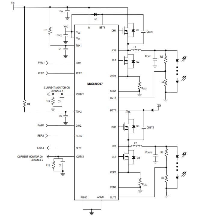
Buck Diagrams

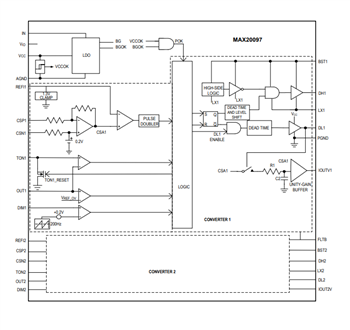
Block Diagrams

Publicado: 2019-08-06 | Actualizado: 2023-04-17