Analog Devices Inc. MAX20012B Automotive Step-Down Controllers

Analog Devices Inc. MAX20012B Automotive Step-Down Controllers operate with a 3.0V to 5.5V input voltage range and provide a 0.5V to 1.5875V output voltage range. This dual-channel controller enables up to 12A of load current per phase. Channel one has the option to operate with two phases to deliver higher load current, making this device ideal for automotive Point-of-Load (PoL) and post-regulation applications.

The MAX20012B achieves ±2% output error over load, line, and temperature ranges. The IC features a 2.2MHz fixed-frequency PWM mode for better noise immunity and load-transient response and a pulse-frequency modulation mode (skip) for increased efficiency during light-load operation. The 2.2MHz frequency operation allows the use of all-ceramic capacitors and minimizes external components. The programmable spread-spectrum frequency modulation minimizes radiated electromagnetic emissions.

The MAX20012B is offered with factory-preset output voltages (see the Selector Guide for options). An I2C interface supports dynamic voltage adjustment with programmable slew rates for each channel. Other features include programmable soft-start and overcurrent and overtemperature protection.

The MAX20012B Step-Down Controller is offered in a 32-pin Thin Quad Flat No Leads (TQFN) package with an exposed pad and is AEC-Q100 qualified for automotive applications.

Features

  • Dual-channel high-efficiency DC-DC controller in a small solution size
    • 3.0V to 5.5V operating supply voltage
    • OUT1 supports 24A with two phases
    • OUT2 supports 12A
  • High-precision regulator for applications processors
    • ±2% output-voltage accuracy
    • Differential remote voltage sensing
    • 0.5V to 1.27V I2C-controlled output voltage in 10mV steps
    • 0.625V to 1.5875V in 12.5mV steps
    • Excellent load-transient performance
  • Low-noise features reduce EMI
    • 2.2MHz operation
    • Spread-spectrum option
    • Frequency-synchronization input/output
    • Current mode, forced-PWM, and skip operation
  • Robust for the automotive environment
    • Individual enable Inputs and PGOOD outputs
    • Low RDS(ON) external FETs
    • Over-temperature and short-circuit protection
    • -40°C to +125°C operating temperature range
    • TQFN-EP-32 package (5mm × 5mm)
    • AEC-Q100 qualified
    • Pb-free and RoHS-compliant

Applications

  • Automotive
  • Core processor system/GPU power

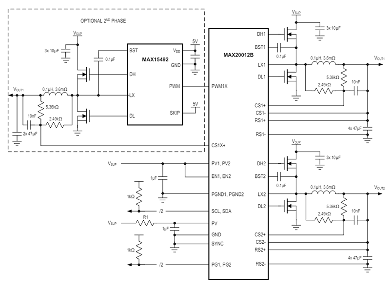
Typical Operating Circuit

Analog Devices Inc. MAX20012B Automotive Step-Down Controllers

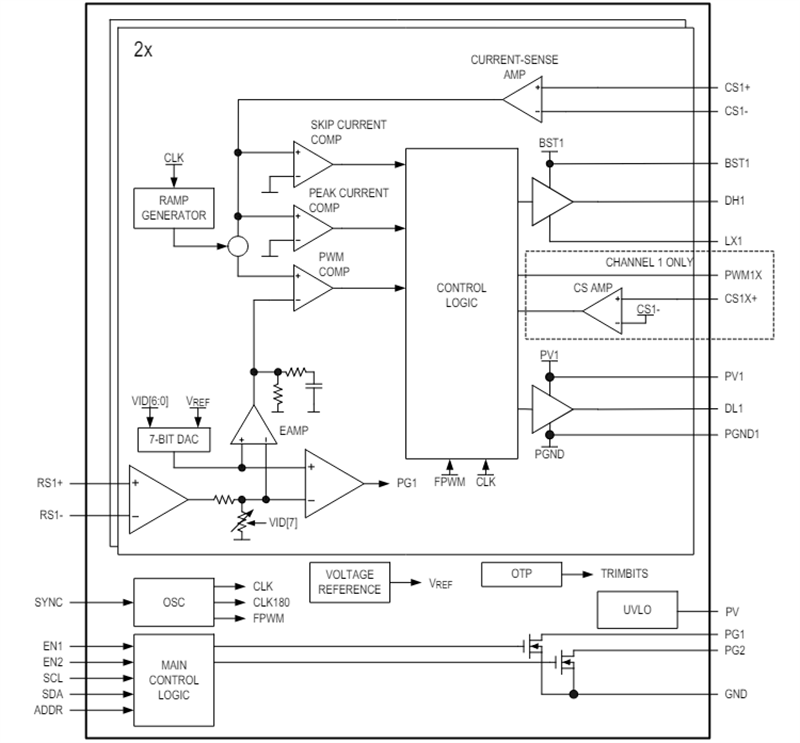
Internal Block Diagram

Analog Devices Inc. MAX20012B Automotive Step-Down Controllers
Publicado: 2020-04-10 | Actualizado: 2024-05-10