Analog Devices / Maxim Integrated MAX17232 & MAX17233 Dual Buck Controllers

Analog Devices MAX17232 and MAX17233 Synchronous Dual Buck Controllers are step-down DC-DC controllers with integrated MOSFETs. Each device operates over a 3.5V to 36V input voltage range with 42V input transient protection. The MAX17232 and MAX17233 converters operate in dropout conditions at 95% of the duty cycle. These controllers generate fixed output voltages of 3.3V/5V and can program the output voltage between 1V to 10V. The MAX17232 and MAX17233 converters use a current-mode-control architecture. Each device can be operated in pulse-width modulation (PWM) or pulse frequency modulation (PFM) control schemes. The PWM operation provides constant frequency operation at all loads and is useful in applications sensitive to switching frequency. The PFM operation disables negative inductor current, and skips pulse at light loads for high efficiency. The MAX17232 and MAX17233 converters come with low-resistance on-chip MOSFETs, ensuring high efficiency at full load and simplifying the layout.

Features

  • Eliminates external components and reduces total cost

    • No Schottky-synchronous operation for high efficiency and reduced cost

    • Simple external RC compensation for stable operation at any output voltage

    • All-ceramic capacitor solution with an ultra-compact layout

    • 180° out-of-phase operation that reduces output ripple and enables cascaded power supplies

  • Reduces the number of DC-DC controllers in the stock

    • Fixed output voltage with ±1% accuracy (5V/3.3V) or externally resistor adjustable (1V to 10V)

    • 220kHz to 2.2MHz adjustable frequency with external synchronization

    • Frequency synchronization input

  • Reduces power dissipation

    • 92% peak efficiency

    • 8μA in shutdown (typical)

    • 20μA quiescent current in PFM mode (typical)

  • Operates reliably

    • 42V input voltage transient protection

    • Cycle-by-cycle current limit and thermal shutdown

    • Supply over-voltage and under-voltage lockout

    • Power-OK monitor

    • Reduced EMI emission with spread-spectrum control

    • 50ns (typ) minimum On-time that guarantees PWM Operation at low duty cycle at 2.2MHz

Applications

  • Distributed supply regulation
  • General-purpose point-of-load
  • Wall transformer regulation

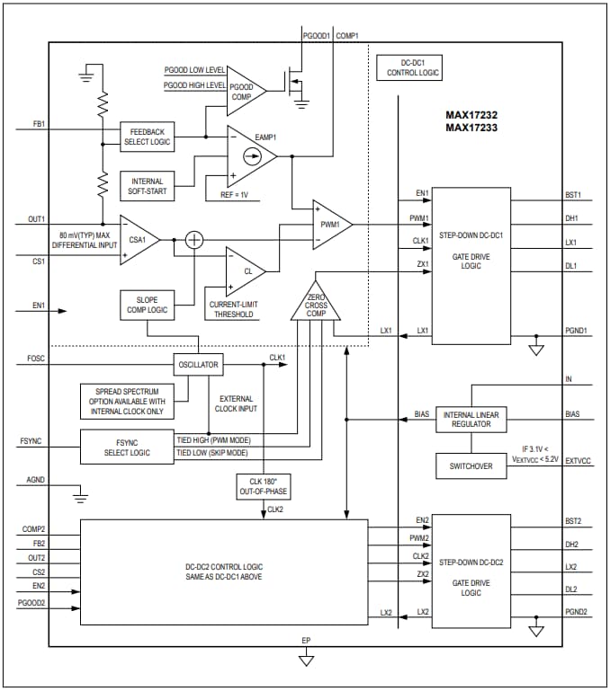
MAX17232 & MAX17233 Block Diagram

Block Diagram - Analog Devices / Maxim Integrated MAX17232 & MAX17233 Dual Buck Controllers
Publicado: 2017-03-24 | Actualizado: 2023-04-11