Analog Devices / Maxim Integrated MAX17220 - MAX17225 DC-DC Converters
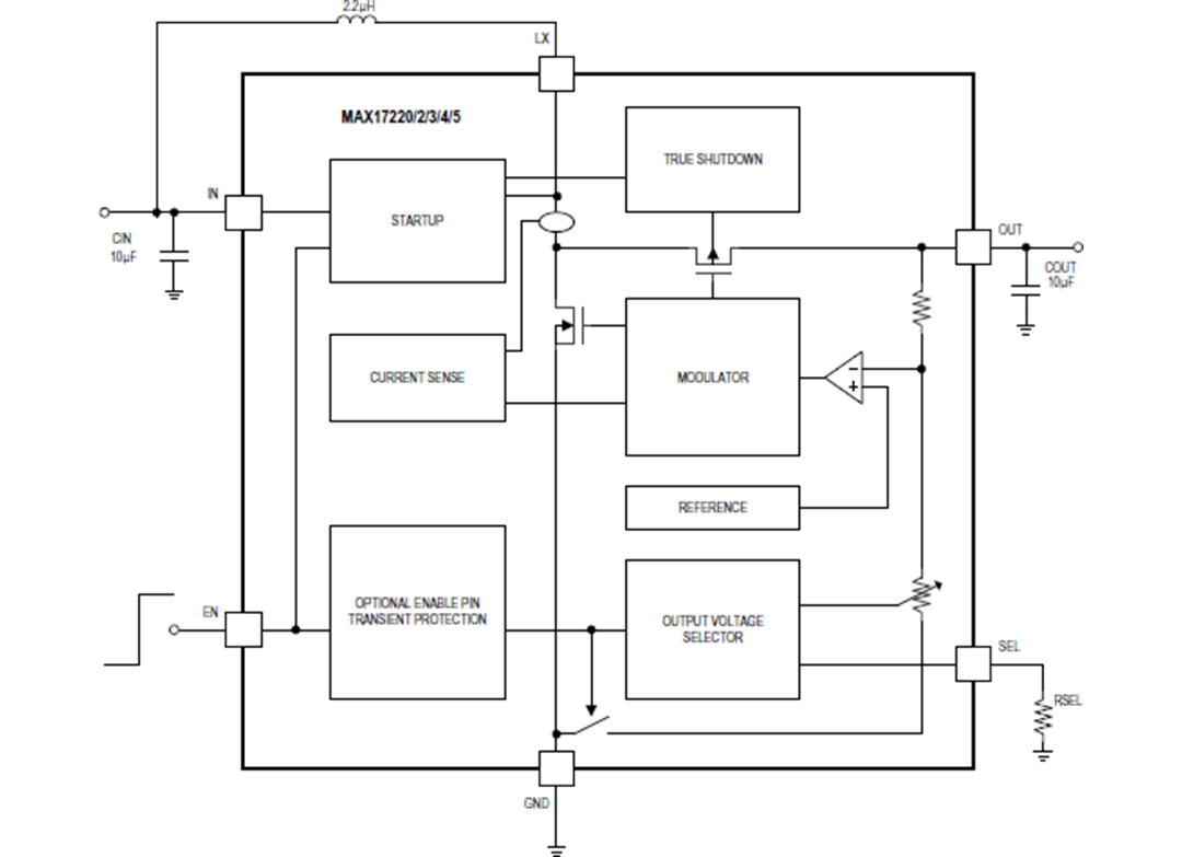
Analog Devices MAX17220 - MAX17225 DC-DC Converters are ultra-low quiescent current boost (step-up) DC-DC converters with a 225mA/0.5A/1A peak inductor current limit and True Shutdown™. True Shutdown disconnects the output from the input with no forward or reverses current. The output voltage is selectable using a single standard 1% resistor.The 500mA MAX17223 and 1A MAX17225 peak inductor current limits allow flexibility when choosing inductors. The converters offer ultralow quiescent current, small total solution size, and high efficiency throughout the entire load range. These devices are ideal for battery applications where long battery life is a must.
The Analog Devices MAX17220 - MAX17225 DC-DC Converters are offered in compact 2.0mm x 2.0mm μDFN6 and 0.88mm x 1.4mm WLP6 packages, ideal for space-constrained applications.
Features
- 300nA Quiescent supply current into OUT
- True shutdown mode
- 0.5nA Shutdown current
- Output disconnects from input
- No reverse current with VOUT 0.0V to 5.0V
- 95% Peak efficiency
- 400mV to 5.5V Input range
- 1.8V to 5.0V Output voltage range
- 100mV/Step
- Single 1% resistor selectable output
- 0.88V Minimum startup voltage
- 225mA, 500mA, and 1A peak inductor current limit
- MAX17220/MAX17221: 225mA ILIM
- MAX17222/MAX17223: 500mA ILIM
- MAX17224/MAX17225: 1A ILIM
- MAX17220/MAX17222/MAX17224 Enable Transient Protection (ETP)
- Package options
- 2.0mm x 2.0mm 6-Pin μDFN
- 0.88mm x 1.4mm 6-Bump WLP (2 x 3, 0.4mm pitch)
Applications
- Optical Heart-Rate Monitoring (OHRM) LED drivers
- Supercapacitor backup for RTC/alarm buzzers
- Primary-cell portable systems
- Tiny, low-power IoT sensors
- Secondary-cell portable systems
- Wearable devices
- Battery-powered medical equipment
- Low-power wireless communication products
Additional Resources
- Whitepaper: Why Low Quiescent Current Matters for Longer Battery Life
- Design Solution: High-Efficiency Boost Converter Extends Wearable Medical Patch Battery Life
- Design Solution: Triple Punch Extends the Life of Your Smart Factory Indoor BLE Beacon
- Design Solution: How to Maximize Your Wireless Sensor’s Runtime
- Design Solution: Make Your IoT Device Last Longer with a nano power Boost Converter
- Design Solution: Very Low Input-Voltage Boost Converter Enables Direct Methanol Fuel Cell Hearing Aids
Videos
Block Diagram
Typical Application Circuit
Publicado: 2017-10-19
| Actualizado: 2025-08-25
