Analog Devices Inc. MAX20087 Evaluation Kit
Analog Devices Inc. MAX20087 Evaluation Kit demonstrates the full capabilities of the MAX2008x camera power-protect ICs. This evaluation kit operates as a standalone or with a controller through an I2C interface for advanced control and diagnostics. The MAX20087 kit is populated with the MAX20087 IC featuring four output channels and a full suite of diagnostics active for compatibility with ASL-grade applications. This kit is compatible with all evaluated variants by replacing the existing IC with the desired one. The MAX20087 evaluation kit allows simultaneous and independent operation and evaluation of the protected output power channels. This evaluation kit features built-in interfaces to operate the part without reading an external I2C controller.Features
- 400mΩ (typical) input-to-output channel resistance
- Automatic shutdown and retry on output UV and OC conditions reduce IC power dissipation
- Channels continuously shut off during overvoltage conditions to protect the rest of the system
- Capable of basic stand-alone operation or advanced control and diagnostics through an I2C interface
- Proven PCB layout
- Fully assembled and tested
Applications
- Power-over-coax for radar
- Camera modules
Required Equipment
- 3.3V power supply
- 12V power supply
- 0.5A and 25Ω electronic resistive load
- Digital multimeter (DMM)
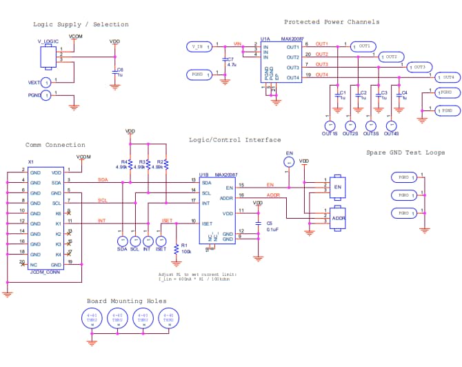
Schematic Diagram
Publicado: 2020-03-26
| Actualizado: 2024-05-07
