Analog Devices / Maxim Integrated DS3911 I2C Quad DAC

Analog Devices DS3911 I2C Quad DAC uses an I2C -compatible interface operating at speeds up to 400kHz. The controller features an on-chip temperature sensor that indexes the NV look-up tables (LUTs) within a -40°C to +100°C temperature range and with a resolution of up to 2°C. The DS3911 DAC from Analog Devices is offered in a 3mm x 5mm, 14-pin TDFN package.

Features

  • Four 10-bit delta-sigma outputs
  • On-chip temperature sensor and ADC
  • Four temperature-indexed LUTs, up to 2°C resolution
  • I2C-Compatible serial interface
  • Address pins allow up to four DS3911s to share the same I2C bus
  • 2.8V to 5.5V Digital supply
  • -40°C to +100°C Operating temperature range
  • 3mm x 5mm, 14-Pin TDFN package

Applications

  • Active optical cables
  • Optical transceivers
  • Linear and nonlinear compensation
  • Instrumentation and industrial controls

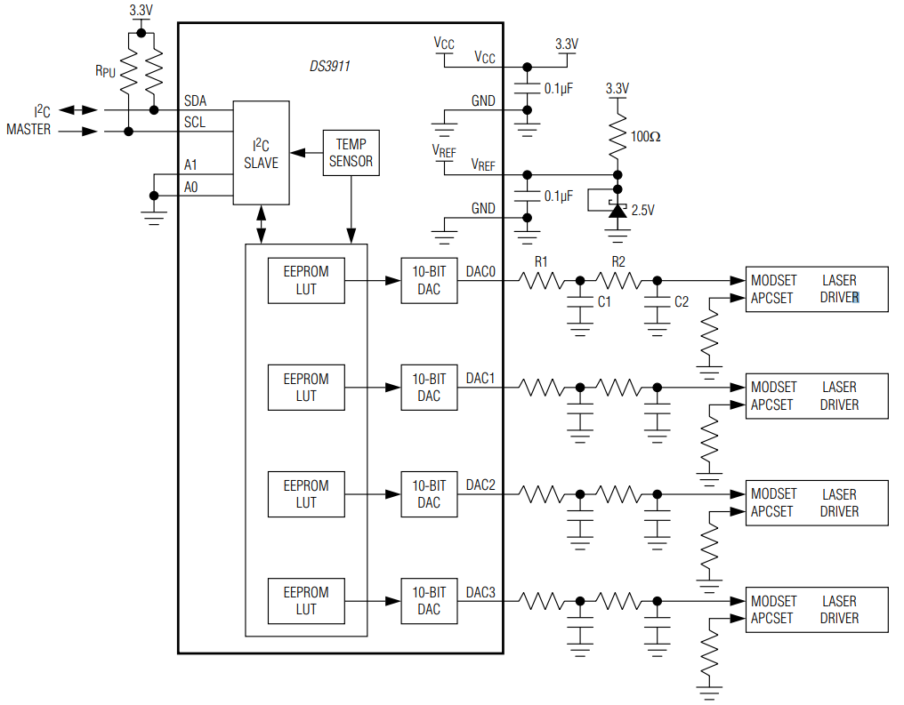
Operating Circuit

Analog Devices / Maxim Integrated DS3911 I2C Quad DAC
Publicado: 2012-01-18 | Actualizado: 2023-04-13