Analog Devices Inc. SCP-LT3045-1-EVALZ Evaluation Board

Analog Devices Inc. SCP-LT3045-1-EVALZ Evaluation Board is designed to evaluate LT3045-1 IC, a high-performance low dropout linear regulator. This board is a 20V 500mA Low Dropout (LDO) regulator that provides low noise operation in noise-sensitive circuits. The SCP-LT3045-1-EVALZ board is configured for a wide output range and offers extremely quiet operation with high PSR. This board easily plugs into other SCP boards to form a complete signal chain power system that enables a fast evaluation of low-power signal chains.

Features

  • Low noise operation in noise-sensitive circuits
  • 20V maximum input voltage (VIN(MAX))
  • 19.5V maximum output voltage (VOUT(MAX))
  • 500mA maximum output current (IOUT(MAX))

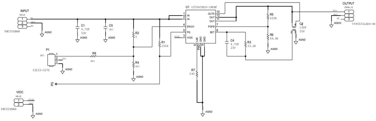
Schematic Diagram

Schematic - Analog Devices Inc. SCP-LT3045-1-EVALZ Evaluation Board
Publicado: 2021-03-09 | Actualizado: 2022-03-11