Analog Devices Inc. HMC648ALP6E 6-bit Digital Phase Shifters

Analog Devices HMC648ALP6E 6-bit digital phase shifters offer 360 degrees of phase coverage and 5.625 degrees LSB. Rated from 2.9 to 3.9GHz, the HMC648ALP6E features a very low 1.2 degrees RMS phase error and extremely low ±0.5dB insertion loss variation in all phase states. The positive 0/+5V logic controls this high accuracy phase shifter. The HMC648ALP6E is internally matched to 50Ω with no external components.

Features

  • Low RMS phase error 1.2°
  • Low insertion loss 5dB
  • High linearity +45dBm
  • Positive control logic
  • 360° coverage, LSB = 5.625°
  • 28 lead 6mm x 6mm SMT package 36mm²

Applications

  • EW receivers
  • Weather and military radar
  • Satellite communications
  • Beamforming modules
  • Phase cancellation

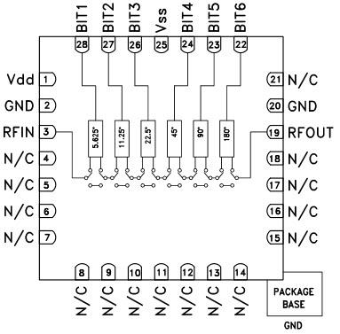
Functional Diagram

Block Diagram - Analog Devices Inc. HMC648ALP6E 6-bit Digital Phase Shifters
Publicado: 2016-07-28 | Actualizado: 2022-03-11