Analog Devices Inc. EVAL-LT8355-1-AZ Evaluation Board

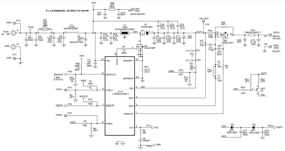
Analog Devices Inc. EVAL-LT8355-1-AZ Evaluation Board is a powerful and versatile solution for controlling high-voltage LED lighting systems. The Analog Devices Inc. EVAL-LT8355-1-AZ features the LT8355-1 dual LED controller that allows for flexible configuration of each channel as either a boost LED driver or buck-boost mode LED driver. The device can easily adjust the feedback network and LED connections. The EVAL-LT8355-1-AZ is a reliable and efficient solution for driving up to 72V of LEDs at 450mA on channel one and up to 30V of LEDs at 1A on channel two while ensuring the highest level of performance and safety.

Features

  • High voltage dual LED controller
  • Dual channels with boost LED driver and buck-boost mode LED driver configurations
  • Flexible configuration through feedback network and LED connections
  • Drives a single string of LEDs per channel
  • Channel 1 drives up to 72V of LEDs at 450mA, channel 2 drives up to 30V of LEDs at 1A
  • Undervoltage lockout (UVLO) with 6.2V falling and 7.5V rising
  • PWM and analog dimming
  • Shutdown, open LED and short LED fault protection and reporting

Schematic

Schematic - Analog Devices Inc. EVAL-LT8355-1-AZ Evaluation Board
Publicado: 2023-05-09 | Actualizado: 2023-05-23