Analog Devices Inc. ADRF5547-EVALZ Receiver Front End Evaluation Board

Analog Devices Inc. ADRF5547-EVALZ Receiver Front-End Evaluation Board is designed for the evaluation of the ADRF5547 dual-channel integrated radio frequency (RF) front-end. The ADRF5547 is a multichip device that consists of a high-power switch and a dual-stage, low-noise amplifier on each channel. The ADRF5547 is ideally suited for time-division duplexing (TDD) wireless infrastructure applications. Analog Devices Inc. ADRF5547-EVALZ Receiver Front-End Evaluation Board is easy to connect to test equipment and evaluate the ADRF5547.

Features

  • Full-featured evaluation board for ADRF5547 front-end
  • Easy connection to test equipment
  • Through line for calibration
  • Ideal for TDD wireless infrastructure applications

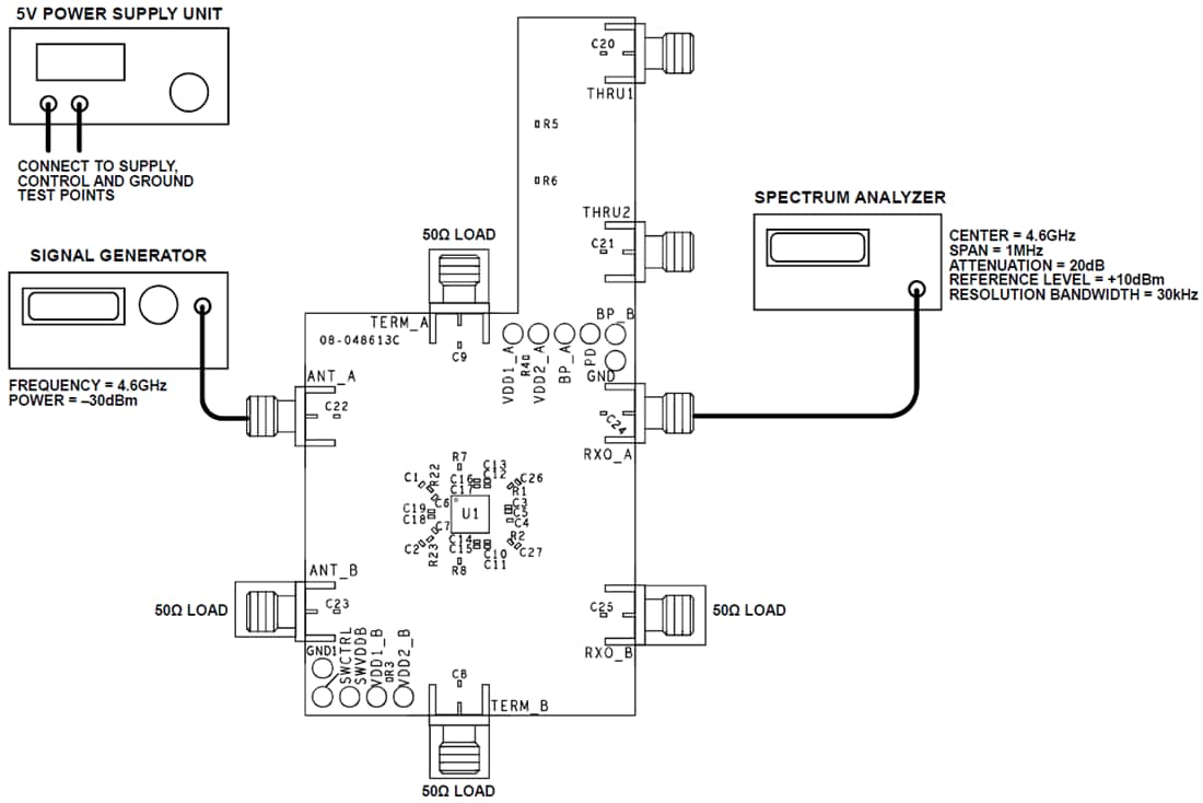
Required Equipment

  • DC power supply
  • Signal generator
  • Spectrum analyzer Network analyzer

Test Setup

Chart - Analog Devices Inc. ADRF5547-EVALZ Receiver Front End Evaluation Board
Publicado: 2019-10-16 | Actualizado: 2024-03-04