Analog Devices Inc. AD8411ARx Evaluation Boards

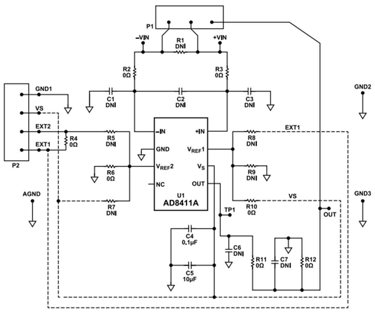
Analog Devices AD8411ARx Evaluation Boards are used to evaluate the capabilities of the AD8411A current-sense amplifier. The Analog Devices AD8411AR-EVALZ and AD8411ARM-EVALZ have a user-friendly design and allow for effortless configuration in various modes of operation. The boards adapt to a multitude of load requirements and offer unmatched flexibility by integrating a shunt resistor (R1) of up to 2818 standard size. The AD8411AR-EVALZ accommodates the AD8411A in a smalloutline integrated circuit (SOIC) while the AD8411ARM-EVALZ accommodates the AD8411A in a mini small outline package (MSOP).

Features

  • Enables quick breadboarding and prototyping
  • Easily configurable for unidirectional or bidirectional operation
  • Includes provision for current-sense shunt resistor
  • Easy connection to test equipment
  • Includes provisions for an input filter and an output filter
  • Decoupled supply line

SCHEMATIC

Schematic - Analog Devices Inc. AD8411ARx Evaluation Boards

Overview

Analog Devices Inc. AD8411ARx Evaluation Boards
Publicado: 2023-06-28 | Actualizado: 2023-08-25