Allegro MicroSystems A6211 PWM Dimmable Buck Regulator LED Driver
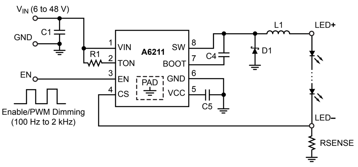
Allegro MicroSystems A6211 PWM Dimmable Buck Regulator LED Driver is a single IC switching regulator that provides constant-current output to drive high-power LEDs. This driver integrates a high-side N-channel DMOS switch for DC-to-DC step-down conversion, and the output current is user-selectable by an external current sense resistor. The output voltage is automatically adjusted to drive various numbers of LEDs in a single string, ensuring optimal system efficiency. LED dimming is accomplished by a direct logic input pulse-width modulation (PWM) signal at the enable pin. Allegro MicroSystems A6211 PWM Dimmable Buck Regulator LED Driver comes in a compact 8-pin narrow SOIC package with an exposed pad for enhanced thermal dissipation.Features
- True average output current control
- Cycle-by-cycle current limit
- Integrated MOSFET switch
- Dimming via direct logic input or power supply voltage
- Internal control loop compensation
- Undervoltage lockout (UVLO) and thermal shutdown protection
- Low power shutdown (1μA typical)
- Robust protection against
- Adjacent pin-to-pin short
- Pin-to-GND short
- Component open/short faults
Applications
- General illumination
- Scanners and multifunction printers (light bars)
- Architectural lighting
- Industrial lighting
- Display case lighting / MR16
Specifications
- 6V to 48V supply voltage range
- 3A maximum output over operating temperature range
- -40°C to +105°C ambient operating temperature range
- Compact, 8-pin narrow SOIC package
Typical Application Circuit
Additional Resources
Publicado: 2023-05-16
| Actualizado: 2023-05-19
